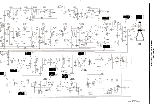
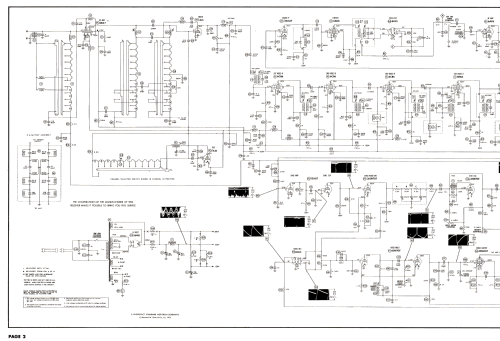
Silvertone 3174 Ch= 132.035-2
Sears, Roebuck & Co.; Chicago (IL)
- Country
- United States of America (USA)
- Manufacturer / Brand
- Sears, Roebuck & Co.; Chicago (IL)
- Year
- 1953 ?
- Category
- Television Receiver (TV) or Monitor
- Radiomuseum.org ID
- 363330
-
- Brand: Silvertone
Click on the schematic thumbnail to request the schematic as a free document.
- Number of Tubes
- 22
- Valves / Tubes
- 6BZ7 or 6BQ7 6J6 6CB6 6CB6 6CB6 6BA6 12AU7 6AC7 6AU6 6AL5 6AV6 6V6GT 12AU7 6SN7GT 6S4 6AL5 6SN7GT 6BQ6GT 6W4GT 1B3GT 5U4G 21MP4
- Main principle
- Superhet with RF-stage
- Wave bands
- Wave Bands given in the notes.
- Power type and voltage
- Alternating Current supply (AC) / 60 Hz, 117V = 110 -120 Volt
- Loudspeaker
- Permanent Magnet Dynamic (PDyn) Loudspeaker (moving coil) / Ø 10 inch = 25.4 cm
- Material
- Wooden case
- from Radiomuseum.org
- Model: Silvertone 3174 Ch= 132.035-2 - Sears, Roebuck & Co.; Chicago
- Shape
- Console with any shape - in general
- Notes
-
Silvertone model 3174 is a 21” b/w TV with US standard VHF tuner channels 2 thru 13. Equipped with chassis 132.035-2, VHF tuner N25734-2 and picture tube 21MP4. Typo on first page of service manual, tubes twenty, has to be twenty-two.
- Literature/Schematics (1)
- Photofact Folder, Howard W. SAMS (Set 206, folder 11, dated 6-53)
- Author
- Model page created by Dirk Taekels. See "Data change" for further contributors.
- Other Models
-
Here you find 5533 models, 3235 with images and 4241 with schematics for wireless sets etc. In French: TSF for Télégraphie sans fil.
All listed radios etc. from Sears, Roebuck & Co.; Chicago (IL)