Silvertone 4072 Ch= 567.34000
Sears, Roebuck & Co.; Chicago (IL)
- Pays
- Etats-Unis
- Fabricant / Marque
- Sears, Roebuck & Co.; Chicago (IL)
- Année
- 1955 ?
- Catégorie
- Enrégistreur et/ou reproducteur son/video
- Radiomuseum.org ID
- 331060
-
- Brand: Silvertone
Cliquez sur la vignette du schéma pour le demander en tant que document gratuit.
- No. de tubes
- 4
- Principe général
- Amplification audio
- Gammes d'ondes
- - sans
- Tension / type courant
- Alimentation Courant Alternatif (CA) / 60 Hz, 117V = 110 -120 Volt
- Haut-parleur
- HP dynamique à aimant permanent + bobine mobile / Ø 5.25 inch = 13.3 cm
- Matière
- Matériaux divers
- De Radiomuseum.org
- Modèle: Silvertone 4072 Ch= 567.34000 - Sears, Roebuck & Co.; Chicago
- Forme
- Modèle de table générique
- Remarques
-
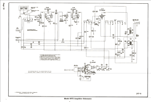
The Silvertone models 4072 and 6072 are mechanically alike. The major difference between the two models is the amplifiers used. Notice the difference in the schematics located toward the rear of this manual.
- Schémathèque (1)
- Photofact Folder, Howard W. SAMS (Set 297 Folder 8 dated 11-55)
- Auteur
- Modèle crée par Dirk Taekels. Voir les propositions de modification pour les contributeurs supplémentaires.
- D'autres Modèles
-
Vous pourrez trouver sous ce lien 5527 modèles d'appareils, 3234 avec des images et 4235 avec des schémas.
Tous les appareils de Sears, Roebuck & Co.; Chicago (IL)