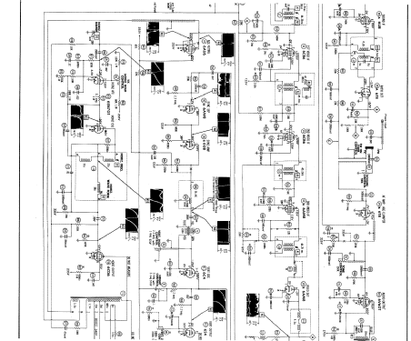
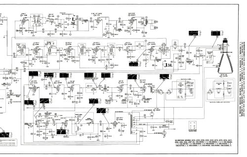
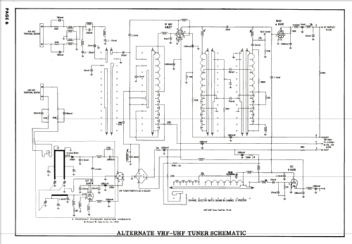
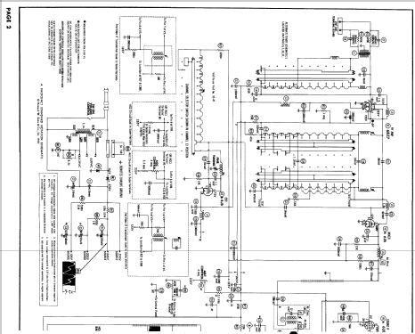
Silvertone 6133 Ch= 528.42602
Sears, Roebuck & Co.; Chicago (IL)
- Produttore / Marca
 - Sears, Roebuck & Co.; Chicago (IL)
 
- Anno
 - 1956 ?
 
- Categoria
 - Televisore (TV) / Monitor
 
- Radiomuseum.org ID
 - 137354
 
- 
        
- Brand: Silvertone
 
 
Clicca sulla miniatura dello schema per richiederlo come documento gratuito.
- Numero di tubi
 - 18
 
- Valvole
 - 6BZ7 6J6 6AF4 6CB6 6CB6 6AM8 6AW8 6AU6 6U8 6T8 6V6GT 6C4 6S4 6SN7GT 6CD6GA 6AU4GTA 1B3GT 24YP4
 
- Principio generale
 - Supereterodina con stadio RF
 
- Gamme d'onda
 - Gamme d'onda nelle note.
 
- Tensioni di funzionamento
 - Alimentazione a corrente alternata (CA) / 60 cycles, 110-120 Volt
 
- Altoparlante
 - AP magnetodinamico (magnete permanente e bobina mobile)
 
- Materiali
 - Mobile in legno
 
- Radiomuseum.org
 - Modello: Silvertone 6133 Ch= 528.42602 - Sears, Roebuck & Co.; Chicago
 
- Forma
 - Soprammobile con qualsiasi forma (non saputo).
 
- Annotazioni
 - 
        
The SILVERTONE model 6133 is a 24" b/w TV with US standard VHF Tuner channels 2 thru 13, 14 thru 83 UHF. Equipped with chassis 528.42602 and picture tube 24YP4.
 
- Letteratura / Schemi (1)
 - Photofact Folder, Howard W. SAMS (Date 9-56, Set 329, Folder 13)
 
- Autore
 - Modello inviato da Egon Penker. Utilizzare "Proponi modifica" per inviare ulteriori dati.
 
- Altri modelli
 - 
        
In questo link sono elencati 5533 modelli, di cui 3235 con immagini e 4241 con schemi.
Elenco delle radio e altri apparecchi della Sears, Roebuck & Co.; Chicago (IL)