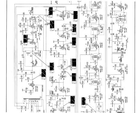
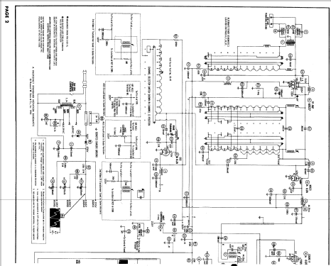
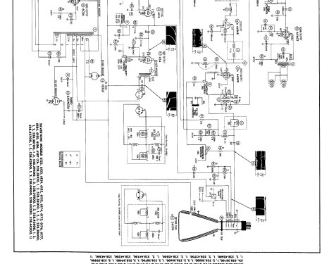
Silvertone 6175 Ch= 528.42702
Sears, Roebuck & Co.; Chicago (IL)
- Produttore / Marca
- Sears, Roebuck & Co.; Chicago (IL)
- Anno
- 1956 ?
- Categoria
- Televisore (TV) / Monitor
- Radiomuseum.org ID
- 137316
-
- Brand: Silvertone
Clicca sulla miniatura dello schema per richiederlo come documento gratuito.
- Numero di tubi
- 18
- Valvole
- 6BZ7 6J6 6AF4 6CB6 6CB6 6AM8 6AW8 6AU6 6U8 6T8 6V6GT 6C4 6S4 6SN7GT 6CD6GA 6AU4GTA 1B3GT 24YP4
- Principio generale
- Supereterodina con stadio RF
- Gamme d'onda
- Gamme d'onda nelle note.
- Tensioni di funzionamento
- Alimentazione a corrente alternata (CA) / 60 cycles, 110-120 Volt
- Altoparlante
- AP magnetodinamico (magnete permanente e bobina mobile)
- Materiali
- Mobile in legno
- Radiomuseum.org
- Modello: Silvertone 6175 Ch= 528.42702 - Sears, Roebuck & Co.; Chicago
- Forma
- Soprammobile con qualsiasi forma (non saputo).
- Annotazioni
-
The SILVERTONE model 6175 is a 24" b/w TV with US standard VHF Tuner channels 2 thru 13, 14 thru 83 UHF. Equipped with chassis 528.42702 and picture tube 24YP4.
- Letteratura / Schemi (1)
- Photofact Folder, Howard W. SAMS (Date 9-56, Set 329, Folder 13)
- Autore
- Modello inviato da Egon Penker. Utilizzare "Proponi modifica" per inviare ulteriori dati.
- Altri modelli
-
In questo link sono elencati 5527 modelli, di cui 3234 con immagini e 4235 con schemi.
Elenco delle radio e altri apparecchi della Sears, Roebuck & Co.; Chicago (IL)