Silvertone 7129 Ch= 528.51010
Sears, Roebuck & Co.; Chicago (IL)
- País
- Estados Unidos
- Fabricante / Marca
- Sears, Roebuck & Co.; Chicago (IL)
- Año
- 1957 ?
- Categoría
- Televisión (TV) o monitor
- Radiomuseum.org ID
- 313089
-
- Brand: Silvertone
Haga clic en la miniatura esquemática para solicitarlo como documento gratuito.
- Numero de valvulas
- 17
- Válvulas
- 6BK7A 6U8 6AF4A 6CB6 6CB6 6AM8 6BA8 6AU6 6U8 6T8 6V6GT 6CM7 6SN7GTB 6AV5GA 6AX4GT 1B3GT 24YP4
- Principio principal
- Superheterodino con paso previo de RF
- Gama de ondas
- Bandas de recepción puestas en notas.
- Tensión de funcionamiento
- Red: Corriente alterna (CA, Inglés = AC) / 60 Hz, 117V = 110 -120 Volt
- Altavoz
- Altavoz dinámico (de imán permanente)
- Material
- Madera
- de Radiomuseum.org
- Modelo: Silvertone 7129 Ch= 528.51010 - Sears, Roebuck & Co.; Chicago
- Forma
- Sobremesa de cualquier forma, detalles no conocidos.
- Anotaciones
-
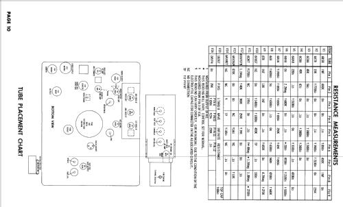
Silvertone model 7129 is a 24" b/w TV with US standard VHF tuner channels 2 thru 13, and 14 thru 83 UHF. Equipped with chassis 528.51010, VHF-tuner 95-91, UHF tuner 95-93 and picture tube 24YP4.
- Documentación / Esquemas (1)
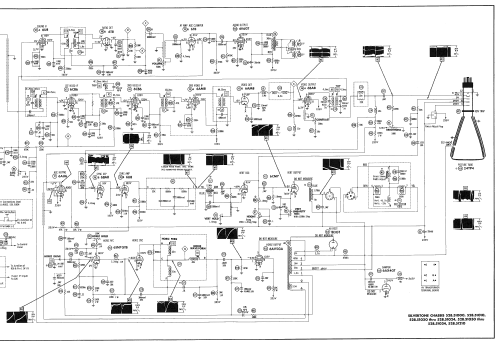
- Photofact Folder, Howard W. SAMS (Set 368 Folder 14 dated 8-57)
- Autor
- Modelo creado por Dirk Taekels. Ver en "Modificar Ficha" los participantes posteriores.
- Otros modelos
-
Donde encontrará 5527 modelos, 3234 con imágenes y 4235 con esquemas.
Ir al listado general de Sears, Roebuck & Co.; Chicago (IL)