Silvertone 8061 Ch= 528.53150
Sears, Roebuck & Co.; Chicago (IL)
- Pays
- Etats-Unis
- Fabricant / Marque
- Sears, Roebuck & Co.; Chicago (IL)
- Année
- 1958 ?
- Catégorie
- Radio - ou tuner d'après la guerre 1939-45
- Radiomuseum.org ID
- 324413
-
- Brand: Silvertone
Cliquez sur la vignette du schéma pour le demander en tant que document gratuit.
- No. de tubes
- 11
- Principe général
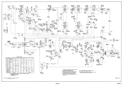
- Super hétérodyne avec étage HF; FI/IF 455/10700 kHz
- Gammes d'ondes
- PO et FM
- Tension / type courant
- Alimentation Courant Alternatif (CA) / 60 Hz, 117V = 105 -125 Volt
- Haut-parleur
- 3 HP
- Matière
- Boitier en bois
- De Radiomuseum.org
- Modèle: Silvertone 8061 Ch= 528.53150 - Sears, Roebuck & Co.; Chicago
- Forme
- Console avec pieds bas < 50% de la hauteur
- Remarques
-
Silvertone model 8061 is an AC operated FM-AM receiver with 4 speed automatic record changer.
- Schémathèque (1)
- Photofact Folder, Howard W. SAMS (Set 394 Folder 15 dated 4-58)
- Auteur
- Modèle crée par Dirk Taekels. Voir les propositions de modification pour les contributeurs supplémentaires.
- D'autres Modèles
-
Vous pourrez trouver sous ce lien 5527 modèles d'appareils, 3234 avec des images et 4235 avec des schémas.
Tous les appareils de Sears, Roebuck & Co.; Chicago (IL)