Silvertone Medalist 8250A Ch= 528.59070
Sears, Roebuck & Co.; Chicago (IL)
- Pays
- Etats-Unis
- Fabricant / Marque
- Sears, Roebuck & Co.; Chicago (IL)
- Année
- 1957
- Catégorie
- Enrégistreur et/ou reproducteur son/video
- Radiomuseum.org ID
- 314611
-
- Brand: Silvertone
Cliquez sur la vignette du schéma pour le demander en tant que document gratuit.
- No. de tubes
- 5
- Principe général
- Amplification audio; Hi-Fi-High End products
- Gammes d'ondes
- - sans
- Particularités
- Tourne disque avec changeur
- Tension / type courant
- Alimentation Courant Alternatif (CA) / 60 Hz; 105 - 125 Volt
- Haut-parleur
- 3 HP
- Puissance de sortie
- 20 W (max.)
- Matière
- Boitier en bois
- De Radiomuseum.org
- Modèle: Silvertone Medalist 8250A Ch= 528.59070 - Sears, Roebuck & Co.; Chicago
- Forme
- Console de forme générique
- Dimensions (LHP)
- 27 x 11.25 x 14.25 inch / 686 x 286 x 362 mm
- Remarques
-
Has one 12 inch and two 5 inch diameter speakers.
Dimensions are for the top section that has the record changer and amplifier. Bottom speaker section is 28.5 x 25.5 x 17.5 inches and can be separated from the top section by up to 50 feet.
Price is for the mahogany veneer finish. Limed oak veneer finish is $199.95.
- Poids net
- 50 lb (50 lb 0 oz) / 22.7 kg
- Prix de mise sur le marché
- 189.95 US
- Littérature
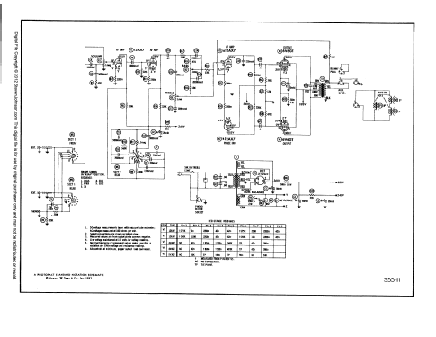
- Sears, Roebuck Catalogs (Silvertone) (Fall 1957 Pages 1010 and 1011)
- Auteur
- Modèle crée par Greg Altman. Voir les propositions de modification pour les contributeurs supplémentaires.
- D'autres Modèles
-
Vous pourrez trouver sous ce lien 5527 modèles d'appareils, 3234 avec des images et 4235 avec des schémas.
Tous les appareils de Sears, Roebuck & Co.; Chicago (IL)
Collections
Le modèle Silvertone Medalist 8250A fait partie des collections des membres suivants.