Silvertone model 7128A Ch= 528.51022
Sears, Roebuck & Co.; Chicago (IL)
- País
 - Estados Unidos
 
- Fabricante / Marca
 - Sears, Roebuck & Co.; Chicago (IL)
 
- Año
 - 1957 ?
 
- Categoría
 - Televisión (TV) o monitor
 
- Radiomuseum.org ID
 - 312976
 
- 
        
- Brand: Silvertone
 
 
Haga clic en la miniatura esquemática para solicitarlo como documento gratuito.
- Numero de valvulas
 - 16
 
- Principio principal
 - Superheterodino con paso previo de RF
 
- Gama de ondas
 - Bandas de recepción puestas en notas.
 
- Tensión de funcionamiento
 - Red: Corriente alterna (CA, Inglés = AC) / 60 Hz, 117V = 110 -120 Volt
 
- Altavoz
 - Altavoz dinámico (de imán permanente)
 
- Material
 - Madera
 
- de Radiomuseum.org
 - Modelo: Silvertone model 7128A Ch= 528.51022 - Sears, Roebuck & Co.; Chicago
 
- Forma
 - Sobremesa de cualquier forma, detalles no conocidos.
 
- Anotaciones
 - 
        
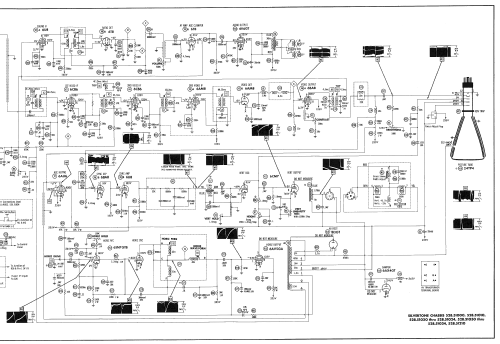
Silvertone model 7128A is a 24" b/w TV with US standard VHF tuner channels 2 thru 13. Equipped with chassis 528.51022, VHF tuner 95-87 and picture tube 24YP4.
 
- Documentación / Esquemas (1)
 - Photofact Folder, Howard W. SAMS (Set 368 Folder 14 dated 8-57)
 
- Autor
 - Modelo creado por Dirk Taekels. Ver en "Modificar Ficha" los participantes posteriores.
 
- Otros modelos
 - 
        
Donde encontrará 5533 modelos, 3235 con imágenes y 4241 con esquemas.
Ir al listado general de Sears, Roebuck & Co.; Chicago (IL)