Silvertone model 7129 Ch= 528.51032
Sears, Roebuck & Co.; Chicago (IL)
- Produttore / Marca
- Sears, Roebuck & Co.; Chicago (IL)
- Anno
- 1957 ?
- Categoria
- Televisore (TV) / Monitor
- Radiomuseum.org ID
- 313320
-
- Brand: Silvertone
Clicca sulla miniatura dello schema per richiederlo come documento gratuito.
- Numero di tubi
- 17
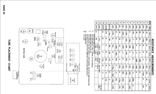
- Valvole
- 6BK7A 6U8 6AF4A 6CB6 6CB6 6AM8 6BA8 6AU6 6U8 6T8 6V6GT 6CM7 6SN7GTB 6AV5GA 6AX4GT 1B3GT 24YP4
- Principio generale
- Supereterodina con stadio RF
- Gamme d'onda
- Gamme d'onda nelle note.
- Tensioni di funzionamento
- Alimentazione a corrente alternata (CA) / 60 Hz, 117V = 110 -120 Volt
- Altoparlante
- AP magnetodinamico (magnete permanente e bobina mobile)
- Materiali
- Mobile in legno
- Radiomuseum.org
- Modello: Silvertone model 7129 Ch= 528.51032 - Sears, Roebuck & Co.; Chicago
- Forma
- Soprammobile con qualsiasi forma (non saputo).
- Annotazioni
-
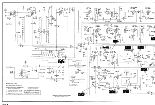
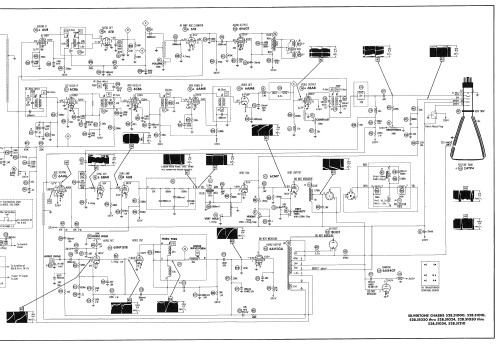
Silvertone model 7129 is a 24" b/w TV with US standard VHF tuner channels 2 thru 13, and 14 thru 83 UHF. Equipped with chassis 528.51032, VHF-tuner 95-91, UHF tuner 95-93 and picture tube 24YP4.
- Letteratura / Schemi (1)
- Photofact Folder, Howard W. SAMS (Set 368 Folder 14 dated 8-57)
- Autore
- Modello inviato da Dirk Taekels. Utilizzare "Proponi modifica" per inviare ulteriori dati.
- Altri modelli
-
In questo link sono elencati 5533 modelli, di cui 3235 con immagini e 4241 con schemi.
Elenco delle radio e altri apparecchi della Sears, Roebuck & Co.; Chicago (IL)