Silvertone model 7131 Ch= 528.51032
Sears, Roebuck & Co.; Chicago (IL)
- Pays
- Etats-Unis
- Fabricant / Marque
- Sears, Roebuck & Co.; Chicago (IL)
- Année
- 1957 ?
- Catégorie
- Récepteur de télévision ou moniteur
- Radiomuseum.org ID
- 313322
-
- Brand: Silvertone
Cliquez sur la vignette du schéma pour le demander en tant que document gratuit.
- No. de tubes
- 17
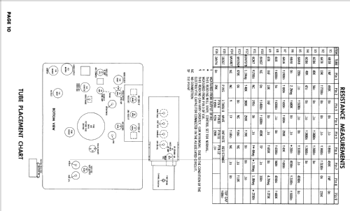
- Lampes / Tubes
- 6BK7A 6U8 6AF4A 6CB6 6CB6 6AM8 6BA8 6AU6 6U8 6T8 6V6GT 6CM7 6SN7GTB 6AV5GA 6AX4GT 1B3GT 24YP4
- Principe général
- Super hétérodyne avec étage HF
- Gammes d'ondes
- Bandes en notes
- Tension / type courant
- Alimentation Courant Alternatif (CA) / 60 Hz, 117V = 110 -120 Volt
- Haut-parleur
- HP dynamique à aimant permanent + bobine mobile
- Matière
- Boitier en bois
- De Radiomuseum.org
- Modèle: Silvertone model 7131 Ch= 528.51032 - Sears, Roebuck & Co.; Chicago
- Forme
- Modèle de table générique
- Remarques
-
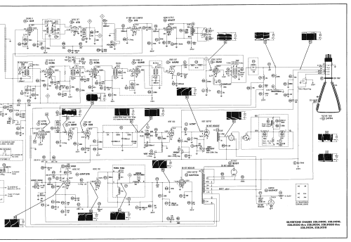
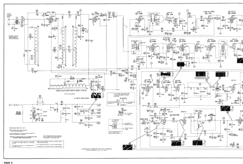
Silvertone model 7131 is a 24" b/w TV with US standard VHF tuner channels 2 thru 13, and 14 thru 83 UHF. Equipped with chassis 528.51032, VHF-tuner 95-91, UHF tuner 95-93 and picture tube 24YP4.
- Schémathèque (1)
- Photofact Folder, Howard W. SAMS (Set 368 Folder 14 dated 8-57)
- Auteur
- Modèle crée par Dirk Taekels. Voir les propositions de modification pour les contributeurs supplémentaires.
- D'autres Modèles
-
Vous pourrez trouver sous ce lien 5533 modèles d'appareils, 3235 avec des images et 4241 avec des schémas.
Tous les appareils de Sears, Roebuck & Co.; Chicago (IL)