- Country
- Germany
- Manufacturer / Brand
- Sennheiser Electronic (Labor W); Wennebostel
- Year
- 1965 ??
- Category
- Audio Amplifier or -mixer
- Radiomuseum.org ID
- 208310
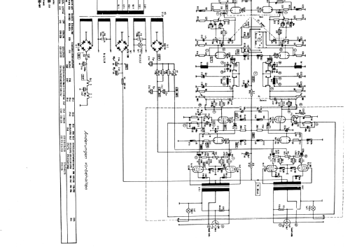
Click on the schematic thumbnail to request the schematic as a free document.
- Number of Tubes
- 12
- Main principle
- Audio-Amplification
- Wave bands
- - without
- Power type and voltage
- Alternating Current supply (AC) / 220 Volt
- Loudspeaker
- - This model requires external speaker(s).
- from Radiomuseum.org
- Model: VKS304 - Sennheiser Electronic Labor W;
- Notes
- Stereophonic amplifier Sennheiser VKS304;
3 selenium rectifiers: B60C50; B250C800; B80C400
- Source of data
- - - Manufacturers Literature
- Author
- Model page created by Georges Van Campenhout † 28.4.22. See "Data change" for further contributors.
- Other Models
-
Here you find 299 models, 285 with images and 141 with schematics for wireless sets etc. In French: TSF for Télégraphie sans fil.
All listed radios etc. from Sennheiser Electronic (Labor W); Wennebostel
Forum contributions about this model: Sennheiser: VKS304
Threads: 1 | Posts: 1
This amplifier is very identical to the Telefunken set V820Hifi.
I suppose it was built by Sennheiser for Telefunken.
Georges Van Campenhout † 28.4.22, 20.Dec.11