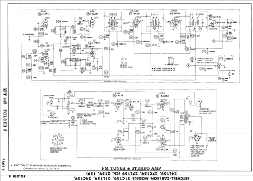
27C159 Ch= 159
Setchell Carlson, Inc.; St.Paul (MN)
- Pays
- Etats-Unis
- Fabricant / Marque
- Setchell Carlson, Inc.; St.Paul (MN)
- Année
- 1959
- Catégorie
- Récepteur de télévision avec radio ev. Enregistreur
- Radiomuseum.org ID
- 187864
-
- Brand: Doraphone
Cliquez sur la vignette du schéma pour le demander en tant que document gratuit.
- No. de tubes
- 23
- Lampes / Tubes
- 21CBP4A
- Principe général
- Super hétérodyne avec étage HF
- Gammes d'ondes
- VHF/UHF (voir details en note)
- Particularités
- Tourne disque avec changeur
- Tension / type courant
- Alimentation Courant Alternatif (CA) / 110 - 120 Volt
- Haut-parleur
- HP dynamique à aimant permanent + bobine mobile
- De Radiomuseum.org
- Modèle: 27C159 Ch= 159 - Setchell Carlson, Inc.; St.
- Remarques
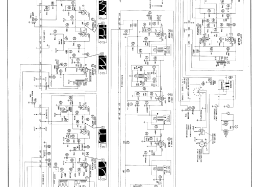
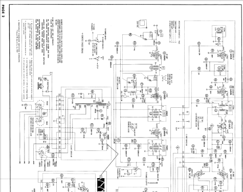
- 21" b/w TV with US standard VHF Tuner Channels 2 thru 13. Some Models with Picture Tube 24AEP4 or 27VP4.
Some Models show a Receiver AM/FM, and Phono Stereo Amp and Record Changer available.
- Schémathèque (1)
- Photofact Folder, Howard W. SAMS (Date 6-59, Set 445, Folder 2)
- Auteur
- Modèle crée par Egon Penker. Voir les propositions de modification pour les contributeurs supplémentaires.
- D'autres Modèles
-
Vous pourrez trouver sous ce lien 131 modèles d'appareils, 73 avec des images et 110 avec des schémas.
Tous les appareils de Setchell Carlson, Inc.; St.Paul (MN)