Cassetten Recorder RD-428X
Sharp; Osaka
- Country
- Japan
- Manufacturer / Brand
- Sharp; Osaka
- Year
- 1975 ??
- Category
- Sound/Video Recorder and/or Player
- Radiomuseum.org ID
- 220007
-
- alternative name: Hayakawa Electric Co.Ltd.
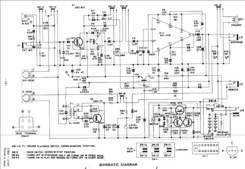
Click on the schematic thumbnail to request the schematic as a free document.
- Number of Transistors
- Semiconductors present.
- Semiconductors
- Main principle
- Audio-Amplification
- Wave bands
- - without
- Details
- Cassette-Recorder or -Player
- Power type and voltage
- Dry Batteries / 4x 1,5 Volt
- Loudspeaker
- Permanent Magnet Dynamic (PDyn) Loudspeaker (moving coil) / Ø 6 cm = 2.4 inch
- Power out
- 0.35 W (unknown quality)
- Material
- Various materials
- from Radiomuseum.org
- Model: Cassetten Recorder RD-428X - Sharp; Osaka
- Shape
- Very small Portable or Pocket-Set (Handheld) < 8 inch.
- Dimensions (WHD)
- 106 x 158 x 43 mm / 4.2 x 6.2 x 1.7 inch
- Notes
- Kassettenrecorder zwei Spur mono.
- Mentioned in
- Original Sharp Service Unterlagen
- Author
- Model page created by Josef Pilz. See "Data change" for further contributors.
- Other Models
-
Here you find 1358 models, 1231 with images and 520 with schematics for wireless sets etc. In French: TSF for Télégraphie sans fil.
All listed radios etc. from Sharp; Osaka