Digital Clock Radio FX-43 CH
Sharp; Osaka
- Country
- Japan
- Manufacturer / Brand
- Sharp; Osaka
- Year
- 1970 ??
- Category
- Broadcast Receiver - or past WW2 Tuner
- Radiomuseum.org ID
- 124785
-
- alternative name: Hayakawa Electric Co.Ltd.
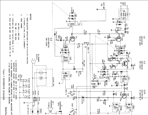
Click on the schematic thumbnail to request the schematic as a free document.
- Number of Transistors
- 9
- Semiconductors
- Main principle
- Superheterodyne (common); ZF/IF 455 kHz
- Tuned circuits
- 5 AM circuit(s) 7 FM circuit(s)
- Wave bands
- Broadcast (BC) and FM or UHF.
- Power type and voltage
- Alternating Current supply (AC) / 220 Volt
- Loudspeaker
- Permanent Magnet Dynamic (PDyn) Loudspeaker (moving coil) / Ø 9 cm = 3.5 inch
- Power out
- 0.4 W (unknown quality)
- Material
- Plastics (no bakelite or catalin)
- from Radiomuseum.org
- Model: Digital Clock Radio FX-43 CH - Sharp; Osaka
- Shape
- Tablemodel with Clock ((Alarm-) Clock Radio).
- Dimensions (WHD)
- 280 x 84 x 132 mm / 11 x 3.3 x 5.2 inch
- Net weight (2.2 lb = 1 kg)
- 1.6 kg / 3 lb 8.4 oz (3.524 lb)
- Mentioned in
- Original Sharp Service Unterlagen
- Literature/Schematics (1)
- -- Original-techn. papers.
- Author
- Model page created by Josef Pilz. See "Data change" for further contributors.
- Other Models
-
Here you find 1353 models, 1224 with images and 519 with schematics for wireless sets etc. In French: TSF for Télégraphie sans fil.
All listed radios etc. from Sharp; Osaka