LTR-151
Sharp; Osaka
- Country
- Japan
- Manufacturer / Brand
- Sharp; Osaka
- Year
- 1965 ?
- Category
- Car Radio, perhaps also + sound player/recorder
- Radiomuseum.org ID
- 176404
-
- alternative name: Hayakawa Electric Co.Ltd.
Click on the schematic thumbnail to request the schematic as a free document.
- Number of Transistors
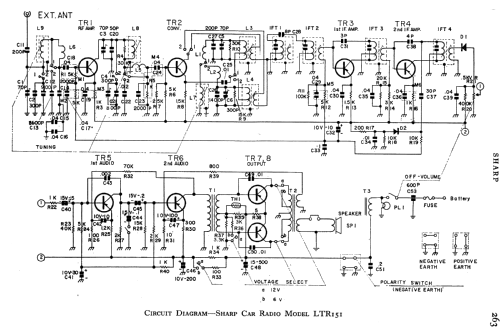
- 8
- Main principle
- Superhet with RF-stage; ZF/IF 455 kHz; 3 AF stage(s)
- Tuned circuits
- 7 AM circuit(s)
- Wave bands
- Broadcast (MW) and Long Wave.
- Power type and voltage
- Storage Battery for all (e.g. for car radios and amateur radios) / 6 / 12 Volt
- Loudspeaker
- - This model requires external speaker(s).
- Material
- Metal case
- from Radiomuseum.org
- Model: LTR-151 - Sharp; Osaka
- Shape
- Chassis only or for «building in»
- Notes
- Car radio for 6v or 12v vehicle supply, setting for either polarity.
- Source of data
- -- Schematic
- Circuit diagram reference
- Radio and TV Servicing books (R&TVS) book
- Author
- Model page created by Keith Staines. See "Data change" for further contributors.
- Other Models
-
Here you find 1353 models, 1224 with images and 520 with schematics for wireless sets etc. In French: TSF for Télégraphie sans fil.
All listed radios etc. from Sharp; Osaka