RDN-303
Sharp; Osaka
- Pays
- Japon
- Fabricant / Marque
- Sharp; Osaka
- Année
- 1975 ??
- Catégorie
- Enrégistreur et/ou reproducteur son/video
- Radiomuseum.org ID
- 125664
-
- alternative name: Hayakawa Electric Co.Ltd.
Cliquez sur la vignette du schéma pour le demander en tant que document gratuit.
- Principe général
- Amplification audio
- Gammes d'ondes
- - sans
- Particularités
- Magnétophone à bandes
- Tension / type courant
- Secteur et Piles (tous types). / 120 / 4x 1,5 Volt
- Haut-parleur
- HP dynamique oval à aimant permanent
- Puissance de sortie
- 1.1 W (qualité inconnue)
- Matière
- Plastique moderne (pas de bakélite, ni de catalin)
- De Radiomuseum.org
- Modèle: RDN-303 - Sharp; Osaka
- Forme
- Portative > 20 cm (sans nécessité secteur)
- Remarques
- Gerät nur für 120 Volt 60Hz ausgelegt; Zweispur Mono.
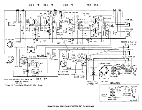
- Littérature
- Original Sharp Service Unterlagen
- Schémathèque (1)
- -- Original-techn. papers.
- Auteur
- Modèle crée par Josef Pilz. Voir les propositions de modification pour les contributeurs supplémentaires.
- D'autres Modèles
-
Vous pourrez trouver sous ce lien 1353 modèles d'appareils, 1224 avec des images et 519 avec des schémas.
Tous les appareils de Sharp; Osaka