Doublet ID = 139026
Shriro Trading Co., Inc.; New York, NY
- Produttore / Marca
- Shriro Trading Co., Inc.; New York, NY
- Anno
- 9999
- Categoria
- Radio (o sintonizzatore del dopoguerra WW2)
- Radiomuseum.org ID
- 155013
Clicca sulla miniatura dello schema per richiederlo come documento gratuito.
- Principio generale
- ZF/IF 455 kHz; 2 Stadi BF
- Radiomuseum.org
- Modello: Doublet ID = 139026 - Shriro Trading Co., Inc.; New
- Letteratura / Schemi (1)
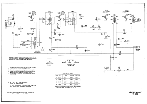
- Photofact Folder, Howard W. SAMS (Date 11-59, Set 462, Folder 6)
- Autore
- Modello inviato da Egon Penker. Utilizzare "Proponi modifica" per inviare ulteriori dati.
- Altri modelli
-
In questo link sono elencati 8 modelli, di cui 6 con immagini e 2 con schemi.
Elenco delle radio e altri apparecchi della Shriro Trading Co., Inc.; New York, NY