Siare 239
SIARE (-Crosley); Piacenza
- Land
- Italien / Italy
- Hersteller / Marke
- SIARE (-Crosley); Piacenza
- Jahr
- 1937/1938
- Kategorie
- Rundfunkempfänger (Radio - oder Tuner nach WW2)
- Radiomuseum.org ID
- 30716
Klicken Sie auf den Schaltplanausschnitt, um diesen kostenlos als Dokument anzufordern.
- Anzahl Röhren
- 8
- Hauptprinzip
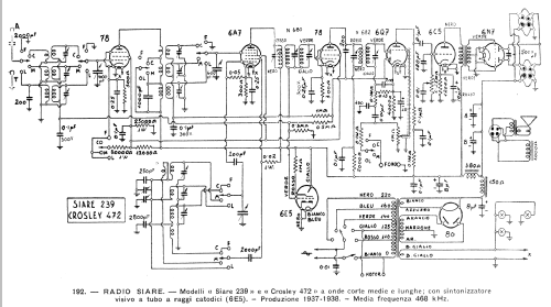
- Super mit HF-Vorstufe; ZF/IF 468 kHz
- Wellenbereiche
- Langwelle, Mittelwelle und Kurzwelle.
- Betriebsart / Volt
- Wechselstromspeisung / 110-220 Volt
- Lautsprecher
- Dynamischer LS, mit Erregerspule (elektrodynamisch)
- von Radiomuseum.org
- Modell: Siare 239 - SIARE -Crosley; Piacenza
- Bemerkung
-
Indicatore di sintonia (6E5).
- Datenherkunft
- Il Radio Libro (E.D. Ravalico) Edizioni Hoepli
- Autor
- Modellseite von Alessandro De Poi angelegt. Siehe bei "Änderungsvorschlag" für weitere Mitarbeit.
- Weitere Modelle
-
Hier finden Sie 121 Modelle, davon 71 mit Bildern und 94 mit Schaltbildern.
Alle gelisteten Radios usw. von SIARE (-Crosley); Piacenza