- País
- Alemania
- Fabricante / Marca
- Siemens (& Halske, -Schuckert Werke SSW, Electrogeräte); Berlin, München
- Año
- 1983 ?
- Categoría
- Radio - o Sintonizador pasado WW2
- Radiomuseum.org ID
- 143766
Haga clic en la miniatura esquemática para solicitarlo como documento gratuito.
- Numero de transistores
- 18
- Semiconductores
- Principio principal
- Superheterodino en general; ZF/IF 455/10700 kHz
- Gama de ondas
- OM, OL, OC y FM
- Especialidades
- Grabador y/o Reprod de cassetes
- Tensión de funcionamiento
- Red / Baterías o pilas / 220 / 8 x 1,5 Volt
- Altavoz
- 4 Altavoces
- Potencia de salida
- 5.4 W (unknown quality)
- Material
- Plástico moderno (Nunca bakelita o catalina)
- de Radiomuseum.org
- Modelo: Club RM743 - Siemens & Halske, -Schuckert
- Forma
- Portátil > 20 cm (sin la necesidad de una red)
- Ancho, altura, profundidad
- 450 x 260 x 120 mm / 17.7 x 10.2 x 4.7 inch
- Anotaciones
-
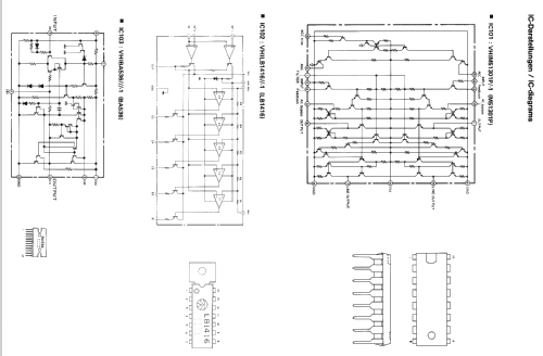
5 ICs
in Farbe: Braun (Front ist Silber).
- Peso neto
- 5 kg / 11 lb 0.2 oz (11.013 lb)
- Mencionado en
- Original Siemens Service Unterlagen
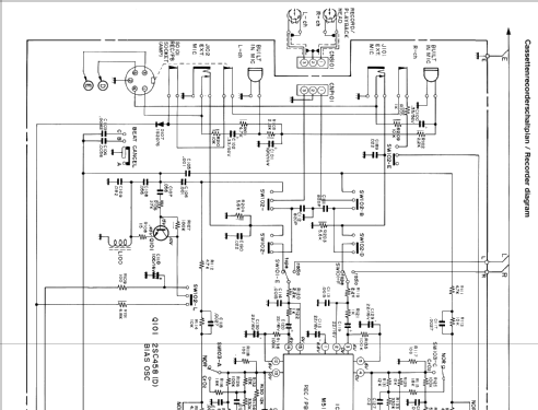
- Documentación / Esquemas (1)
- Prospekt: Siemens Radiogeräte 1983
- Autor
- Modelo creado por Josef Pilz. Ver en "Modificar Ficha" los participantes posteriores.
- Otros modelos
-
Donde encontrará 2543 modelos, 2154 con imágenes y 1347 con esquemas.
Ir al listado general de Siemens (& Halske, -Schuckert Werke SSW, Electrogeräte); Berlin, München
Colecciones
El modelo Club es parte de las colecciones de los siguientes miembros.