Color TV FS189V4 Ch= CS 9004
Siemens (& Halske, -Schuckert Werke SSW, Electrogeräte); Berlin, München
- País
- Alemania
- Fabricante / Marca
- Siemens (& Halske, -Schuckert Werke SSW, Electrogeräte); Berlin, München
- Año
- 1990 ??
- Categoría
- Televisión (TV) o monitor
- Radiomuseum.org ID
- 194425
Haga clic en la miniatura esquemática para solicitarlo como documento gratuito.
- Numero de valvulas
- 1
- Válvulas
- A66EAK22X01
- Numero de transistores
- Hay semiconductores.
- Semiconductores
- Principio principal
- PLL, Phase-locked loop
- Gama de ondas
- Bandas de recepción puestas en notas.
- Especialidades
- Remote Control (with wire or wireless)
- Tensión de funcionamiento
- Red: Corriente alterna (CA, Inglés = AC) / 220-240 Volt
- Altavoz
- 2 Altavoces
- Potencia de salida
- 70 W (unknown quality)
- Material
- Materiales diversos
- de Radiomuseum.org
- Modelo: Color TV FS189V4 Ch= CS 9004 - Siemens & Halske, -Schuckert
- Forma
- Sobremesa de cualquier forma, detalles no conocidos.
- Anotaciones
- Siemens Color TV mit Kabeltuner, TV Mehrnormen-Empfang PAL, NTSC, SECAM;
Videotext eingebaut.
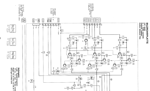
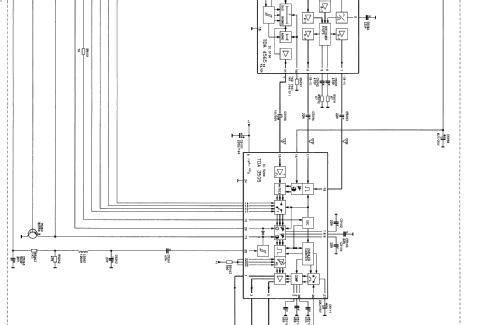
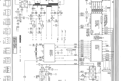
- Documentación / Esquemas (1)
- Original Siemens Service Unterlagen
- Autor
- Modelo creado por Josef Pilz. Ver en "Modificar Ficha" los participantes posteriores.
- Otros modelos
-
Donde encontrará 2543 modelos, 2153 con imágenes y 1347 con esquemas.
Ir al listado general de Siemens (& Halske, -Schuckert Werke SSW, Electrogeräte); Berlin, München