- Country
- Germany
- Manufacturer / Brand
- Siemens (& Halske, -Schuckert Werke SSW, Electrogeräte); Berlin, München
- Year
- 1990 ??
- Category
- Television Receiver (TV) or Monitor
- Radiomuseum.org ID
- 194613
Click on the schematic thumbnail to request the schematic as a free document.
- Number of Tubes
- 1
- Valves / Tubes
- unknown_Tube
- Number of Transistors
- Semiconductors present.
- Semiconductors
- Main principle
- PLL, Phase-locked loop
- Wave bands
- VHF incl. FM and/or UHF (see notes for details)
- Details
- Remote Control (with wire or wireless)
- Power type and voltage
- Alternating Current supply (AC) / 190-264 Volt
- Loudspeaker
- 2 Loudspeakers
- Power out
- 40 W (unknown quality)
- Material
- Various materials
- from Radiomuseum.org
- Model: Color TV FS231V6 - Siemens & Halske, -Schuckert
- Shape
- Tablemodel, with any shape - general.
- Notes
- Siemens Color TV mit Kabeltuner, TV Normen-Epfang OAL, SECAM, Musikleistung 2x20 Watt, Fernbedienung FB 103 TOP
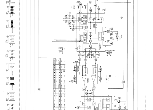
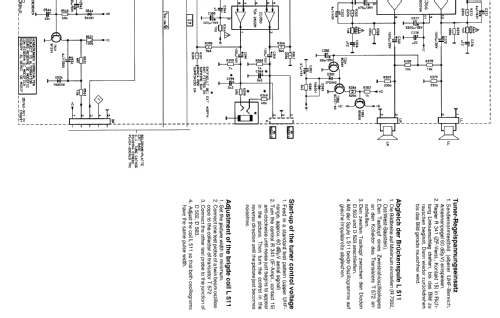
- Literature/Schematics (1)
- Original Siemens Service Unterlagen
- Author
- Model page created by Josef Pilz. See "Data change" for further contributors.
- Other Models
-
Here you find 2543 models, 2154 with images and 1347 with schematics for wireless sets etc. In French: TSF for Télégraphie sans fil.
All listed radios etc. from Siemens (& Halske, -Schuckert Werke SSW, Electrogeräte); Berlin, München