- Country
- Germany
- Manufacturer / Brand
- Siemens (& Halske, -Schuckert Werke SSW, Electrogeräte); Berlin, München
- Year
- 1973/1974
- Category
- Sound/Video Recorder and/or Player
- Radiomuseum.org ID
- 29193
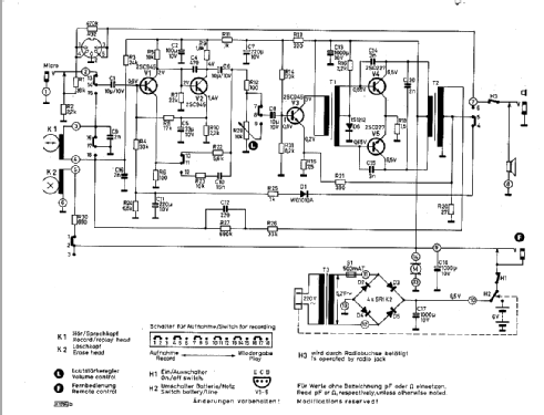
Click on the schematic thumbnail to request the schematic as a free document.
- Number of Transistors
- 5
- Semiconductors
- Main principle
- Audio-Amplification
- Wave bands
- - without
- Details
- Tape Recorder
- Power type and voltage
- Line / Batteries (any type) / 220 / 4×1,5 Volt
- Loudspeaker
- Permanent Magnet Dynamic (PDyn) Loudspeaker (moving coil) / Ø 8 cm = 3.1 inch
- Power out
- 0.4 W (unknown quality)
- Material
- Plastics (no bakelite or catalin)
- from Radiomuseum.org
- Model: Trabant RC211 - Siemens & Halske, -Schuckert
- Shape
- Very small Portable or Pocket-Set (Handheld) < 8 inch.
- Dimensions (WHD)
- 137 x 70 x 250 mm / 5.4 x 2.8 x 9.8 inch
- Notes
- Aussteuerungs-Automatik; automatische Batterie/Netzumschaltung. Übertragungsbereich: 250-6000 Hz.
- Net weight (2.2 lb = 1 kg)
- 1.8 kg / 3 lb 15.4 oz (3.965 lb)
- External source of data
- Erb
- Source of data
- Katalog RFP 1973
- Other Models
-
Here you find 2543 models, 2153 with images and 1347 with schematics for wireless sets etc. In French: TSF for Télégraphie sans fil.
All listed radios etc. from Siemens (& Halske, -Schuckert Werke SSW, Electrogeräte); Berlin, München
Collections
The model Trabant is part of the collections of the following members.