8332/14
Siera; Belgien
- Paese
- Belgio
- Produttore / Marca
- Siera; Belgien
- Anno
- 1970 ??
- Categoria
- Radio (o sintonizzatore del dopoguerra WW2)
- Radiomuseum.org ID
- 205716
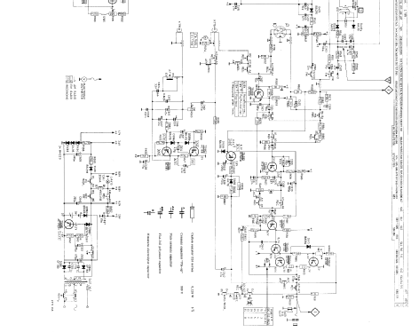
Clicca sulla miniatura dello schema per richiederlo come documento gratuito.
- Numero di transistor
- 16
- Semiconduttori
- BF495 BF495 BF494 BF495 AC128 BC549 BC549 BC548 AC127 AC128 AC127 AC128 AC188 AC187 AC128 AC127
- Principio generale
- Supereterodina (in generale); ZF/IF 452/10700 kHz
- Gamme d'onda
- Onde medie (OM) e MF (FM).
- Particolarità
- Registratore o riprod a cassett
- Tensioni di funzionamento
- Rete / Batterie (ogni tipo) / 110 ; 220 / 6x1.5 Volt
- Altoparlante
- AP magnetodinamico (magnete permanente e bobina mobile)
- Materiali
- Plastica (non bachelite o catalina)
- Radiomuseum.org
- Modello: 8332/14 - Siera; Belgien
- Forma
- Tascabile (portatile molto piccola), < 20 cm
- Fonte dei dati
- -- Original-techn. papers.
- Letteratura / Schemi (1)
- Service Manual
- Autore
- Modello inviato da Dirk Taekels. Utilizzare "Proponi modifica" per inviare ulteriori dati.
- Altri modelli
-
In questo link sono elencati 474 modelli, di cui 434 con immagini e 212 con schemi.
Elenco delle radio e altri apparecchi della Siera; Belgien