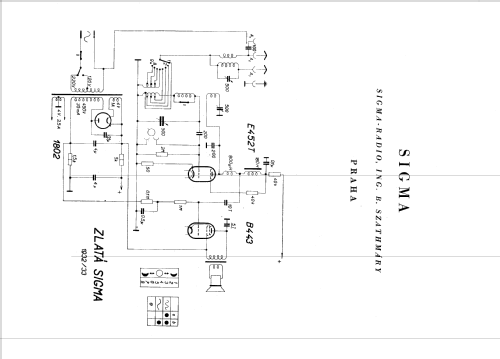
Zlatá Sigma (var1)
Sigma-Radio, Ing. B. Szathmary; Prag
- Country
- Czechoslovakia
- Manufacturer / Brand
- Sigma-Radio, Ing. B. Szathmary; Prag
- Year
- 1932/1933
- Category
- Broadcast Receiver - or past WW2 Tuner
- Radiomuseum.org ID
- 23241
Click on the schematic thumbnail to request the schematic as a free document.
- Number of Tubes
- 3
- Main principle
- TRF with regeneration; 1 AF stage(s)
- Tuned circuits
- 1 AM circuit(s)
- Wave bands
- Broadcast (MW) and Long Wave.
- Power type and voltage
- Alternating Current supply (AC) / 120/220 Volt
- Loudspeaker
- -Loudspeaker incorporated, but system not known.
- from Radiomuseum.org
- Model: Zlatá Sigma - Sigma-Radio, Ing. B. Szathmary
- Price in first year of sale
- 1,350.00 Kc
- External source of data
- Erb
- Source of data
- Ceskoslovenske prijimace 1933-1945, Baudys 1947
- Other Models
-
Here you find 49 models, 26 with images and 32 with schematics for wireless sets etc. In French: TSF for Télégraphie sans fil.
All listed radios etc. from Sigma-Radio, Ing. B. Szathmary; Prag