A Ten 29 3 tube power unit
Slagle Radio Co.; Fort Wayne, IN
- País
- Estados Unidos
- Fabricante / Marca
- Slagle Radio Co.; Fort Wayne, IN
- Año
- 1928
- Categoría
- Radio - o Sintonizador pasado WW2
- Radiomuseum.org ID
- 58143
Haga clic en la miniatura esquemática para solicitarlo como documento gratuito.
- Numero de valvulas
- 11
- Principio principal
- RFS sin reacción
- Número de circuitos sintonía
- 3 Circuíto(s) AM
- Gama de ondas
- OM (onda media) solamente
- Tensión de funcionamiento
- Red: Corriente alterna (CA, Inglés = AC)
- Altavoz
- Altavoz electrodinámico (bobina de campo)
- Material
- Madera
- de Radiomuseum.org
- Modelo: A Ten 29 [3 tube power unit] - Slagle Radio Co.; Fort Wayne,
- Forma
- Consola en general
- Anotaciones
-
One dial (primary tuning control knob)
- Precio durante el primer año
- 500.00 $
- Ext. procedencia de los datos
- Ernst Erb
- Procedencia de los datos
- Radio Collector`s Guide 1921-1932
- Mencionado en
- Radio Manufacturers of the 1920's, Vol. 3 (p.97)
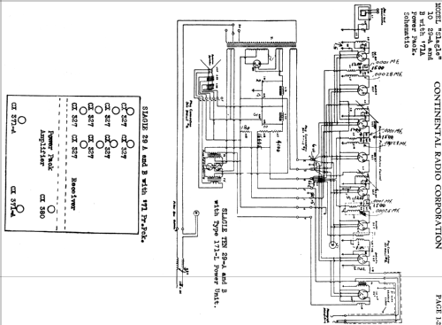
- Documentación / Esquemas (1)
- Rider's Perpetual, Volume 1 = 1931/1934 (1919 to 1931) (Continental 1-2)
- Documentación / Esquemas (2)
- Radio Set Socket Layout 1921 to 1935, RCA
- Otros modelos
-
Donde encontrará 25 modelos, 3 con imágenes y 8 con esquemas.
Ir al listado general de Slagle Radio Co.; Fort Wayne, IN