511TAG
Sobell Ind., Slough
- País
- Gran Bretaña (GB)
- Fabricante / Marca
- Sobell Ind., Slough
- Año
- 1950
- Categoría
- Radio - o Sintonizador pasado WW2
- Radiomuseum.org ID
- 144141
Haga clic en la miniatura esquemática para solicitarlo como documento gratuito.
- Numero de valvulas
- 4
- Principio principal
- Superheterodino en general; ZF/IF 465 kHz; 2 Etapas de AF
- Número de circuitos sintonía
- 5 Circuíto(s) AM
- Gama de ondas
- OM, OL y OC
- Especialidades
- Tocadiscos con cambiador autom.
- Tensión de funcionamiento
- Red: Corriente alterna (CA, Inglés = AC) / 200-240 Volt
- Altavoz
- Altavoz dinámico (de imán permanente)
- de Radiomuseum.org
- Modelo: 511TAG - Sobell Ind., Slough
- Forma
- Sobremesa de cualquier forma, detalles no conocidos.
- Anotaciones
- Table Auto Radiogram. Same chassis in models 511P (Plastic case), models 511W (Walnut case), 511AG (Console Auto Radiogram).
- Precio durante el primer año
- 29.00 GBP
- Procedencia de los datos
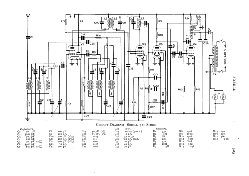
- -- Schematic
- Referencia esquema
- Radio and TV Servicing books (R&TVS) book
- Documentación / Esquemas (1)
- Trader Sheet 1016.
- Autor
- Modelo creado por Keith Staines. Ver en "Modificar Ficha" los participantes posteriores.
- Otros modelos
-
Donde encontrará 116 modelos, 69 con imágenes y 90 con esquemas.
Ir al listado general de Sobell Ind., Slough