RS401
Sobell Ind., Slough
- Produttore / Marca
- Sobell Ind., Slough
- Anno
- 1958 ?
- Categoria
- Radio (o sintonizzatore del dopoguerra WW2)
- Radiomuseum.org ID
- 148854
Clicca sulla miniatura dello schema per richiederlo come documento gratuito.
- Numero di tubi
- 4
- Principio generale
- Supereterodina (in generale); ZF/IF 470 kHz; 2 Stadi BF
- N. di circuiti accordati
- 5 Circuiti Mod. Amp. (AM)
- Gamme d'onda
- Onde medie (OM) e onde lunghe (OL).
- Tensioni di funzionamento
- Alimentazione universale (doppia: CC/CA) / 200-250 Volt
- Altoparlante
- AP magnetodinamico (magnete permanente e bobina mobile)
- Radiomuseum.org
- Modello: RS401 - Sobell Ind., Slough
- Forma
- Soprammobile con qualsiasi forma (non saputo).
- Fonte dei dati
- -- Schematic
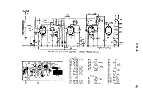
- Riferimenti schemi
- Radio and TV Servicing books (R&TVS) book
- Autore
- Modello inviato da Keith Staines. Utilizzare "Proponi modifica" per inviare ulteriori dati.
- Altri modelli
-
In questo link sono elencati 116 modelli, di cui 69 con immagini e 90 con schemi.
Elenco delle radio e altri apparecchi della Sobell Ind., Slough