S304BT
Sobell Ind., Slough
- Land
- Grossbritannien (UK)
- Hersteller / Marke
- Sobell Ind., Slough
- Jahr
- 1960 ?
- Kategorie
- Rundfunkempfänger (Radio - oder Tuner nach WW2)
- Radiomuseum.org ID
- 102138
Klicken Sie auf den Schaltplanausschnitt, um diesen kostenlos als Dokument anzufordern.
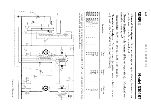
- Anzahl Transistoren
- 6
- Hauptprinzip
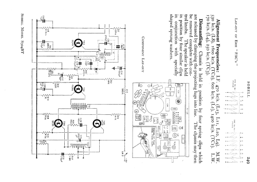
- Superhet allgemein; ZF/IF 470 kHz
- Wellenbereiche
- Langwelle, Mittelwelle (LW+MW).
- Betriebsart / Volt
- Trockenbatterien / 9 Volt
- Lautsprecher
- Dynamischer LS, keine Erregerspule (permanentdynamisch)
- von Radiomuseum.org
- Modell: S304BT - Sobell Ind., Slough
- Literaturnachweis
- -- Original-techn. papers.
- Literatur/Schema (1)
- Radio And Television Servicing books (R&TVS)
- Autor
- Modellseite von Peter Hoddow angelegt. Siehe bei "Änderungsvorschlag" für weitere Mitarbeit.
- Weitere Modelle
-
Hier finden Sie 116 Modelle, davon 69 mit Bildern und 90 mit Schaltbildern.
Alle gelisteten Radios usw. von Sobell Ind., Slough