Handfunkgerät TS-510GT
Sommerkamp
- Paese
- Germania
- Produttore / Marca
- Sommerkamp
- Anno
- 1974 ?
- Categoria
- Apparecchio CB (banda cittadina)
- Radiomuseum.org ID
- 240715
-
- alternative name: Sommerkamp El. Schweiz
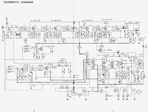
Clicca sulla miniatura dello schema per richiederlo come documento gratuito.
- Numero di transistor
- 12
- Semiconduttori
- 2SC710 2SC710 2SC710 2SC710 2SC710 2SA562 2SC72 2SC712 2SC4960 2SC4960 2SC1018 2SC495 1N60 1N60 1N60 1N60 1N60 M8513
- Principio generale
- Ricetrasmettitore; ZF/IF 455 kHz
- N. di circuiti accordati
- 5 Circuiti Mod. Amp. (AM)
- Gamme d'onda
- Onde corte (solamente OC)
- Tensioni di funzionamento
- Batterie / presa di alimentazione supplementare / 8 x 1,5 / 12 Volt
- Altoparlante
- AP magnetodinamico (magnete permanente e bobina mobile) / Ø 7 cm = 2.8 inch
- Potenza d'uscita
- 0.3 W (qualità ignota)
- Materiali
- Mobile di metallo
- Radiomuseum.org
- Modello: Handfunkgerät TS-510GT - Sommerkamp
- Forma
- Apparecchio portatile > 20 cm (senza la necessità di una rete)
- Dimensioni (LxAxP)
- 220 x 90 x 45 mm / 8.7 x 3.5 x 1.8 inch
- Annotazioni
-
TS-510GT CB-Handfunkgerät, FTZ Nr. K171/74
- 3 Quarzgesteuerte Kanäle im 27MHz (11m) Bereich, AM
- Rauschsperre, Noise Limiter
- Ruftontaste
- Teleskopantenne, ausgezogen 1,5m
- 8 Mignonzellen oder externe 12V Stromversorgung über Klinkenbuchse
- Batterie-Kontrolle über Zeigerinstrument
- Gehäuse Baugleich mit TS-510GTE
- Peso netto
- 1 kg / 2 lb 3.2 oz (2.203 lb)
- Bibliografia
- - - Manufacturers Literature
- Letteratura / Schemi (1)
- -- Schematic
- Autore
- Modello inviato da Walter Fackler. Utilizzare "Proponi modifica" per inviare ulteriori dati.
- Altri modelli
-
In questo link sono elencati 118 modelli, di cui 105 con immagini e 49 con schemi.
Elenco delle radio e altri apparecchi della Sommerkamp
Collezioni
Il modello Handfunkgerät fa parte delle collezioni dei seguenti membri.