7F-82W
Sony Corporation; Tokyo
- Land
- Japan
- Hersteller / Marke
- Sony Corporation; Tokyo
- Jahr
- 1974 ??
- Kategorie
- Rundfunkempfänger (Radio - oder Tuner nach WW2)
- Radiomuseum.org ID
- 181363
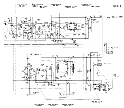
Klicken Sie auf den Schaltplanausschnitt, um diesen kostenlos als Dokument anzufordern.
- Anzahl Transistoren
- 14
- Halbleiter
- Hauptprinzip
- Superhet allgemein; ZF/IF 455/ 10700 kHz
- Wellenbereiche
- Langwelle, Mittelwelle, Kurzwelle und UKW.
- Betriebsart / Volt
- Trockenbatterien / 6; 4 x 1,5 Volt
- Lautsprecher
- Dynamischer LS, keine Erregerspule (permanentdynamisch) / Ø 4 inch = 10.2 cm
- Belastbarkeit / Leistung
- 1.6 W (Qualität unbekannt)
- Material
- Plastikgehäuse (nicht Bakelit), Thermoplast
- von Radiomuseum.org
- Modell: 7F-82W - Sony Corporation; Tokyo
- Form
- Reisegerät > 20 cm (netzunabhängig betreibbar)
- Abmessungen (BHT)
- 295 x 179 x 101 mm / 11.6 x 7 x 4 inch
- Bemerkung
- Sony 7F-82W;
FM: 87 - 108 MHz,
Marine Band: 1.7 - 4 MHz,
AM: 530 - 1605 kHz,
Weather: 190 - 400 kHz, dial light, suitable AC adaptor: "AC-81W".
- Nettogewicht
- 2.350 kg / 5 lb 2.8 oz (5.176 lb)
- Datenherkunft
- - - Manufacturers Literature
- Autor
- Modellseite von einem Mitglied aus A angelegt. Siehe bei "Änderungsvorschlag" für weitere Mitarbeit.
- Weitere Modelle
-
Hier finden Sie 4069 Modelle, davon 3926 mit Bildern und 975 mit Schaltbildern.
Alle gelisteten Radios usw. von Sony Corporation; Tokyo