FM/SW1-9/MW 11 Band Receiver ICF-SW12

Sony Corporation; Tokyo

  • Anno
  • 1997
  • Categoria
  • Radio (o sintonizzatore del dopoguerra WW2)
  • Radiomuseum.org ID
  • 100206

Clicca sulla miniatura dello schema per richiederlo come documento gratuito.

 Specifiche tecniche

  • Numero di transistor
  • 6
  • Principio generale
  • Supereterodina (in generale); ZF/IF 455/10700 kHz
  • Gamme d'onda
  • Onde medie (OM), più di 2 gamme di onde corte (> 2 x OC) e MF (FM).
  • Tensioni di funzionamento
  • Batterie a secco / For radio AA: 2 x 1.5 V, for clock CR2025: 1 x 3 Volt
  • Altoparlante
  • AP magnetodinamico (magnete permanente e bobina mobile)
  • Potenza d'uscita
  • 0.1 W (max.)
  • Materiali
  • Plastica (non bachelite o catalina)
  • Radiomuseum.org
  • Modello: FM/SW1-9/MW 11 Band Receiver ICF-SW12 - Sony Corporation; Tokyo
  • Forma
  • Tascabile (portatile molto piccola), < 20 cm
  • Dimensioni (LxAxP)
  • 111 x 30.5 x 80.3 mm / 4.4 x 1.2 x 3.2 inch
  • Annotazioni
  • Small "handheld-computer like" designed portable travel radio with shortwave coverage from 60 to 13 m broadcast bands in 9 bands, plus FM and MW, and a digital world travel clock / alarm.

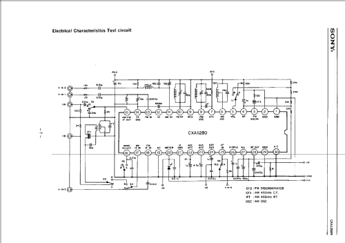
    The radio section uses a CXA1280N all-in-one IC by Sony, five transistors and five diodes (Q1, 2SC2412K, D6, 1SS355, in the Buzzer alam; Q2, 2SC2412K in the AM IF filter; Q3, DTC114TK in the FM/AM Band Selector; Q4, 2SB1197K, Q5, DTC114TK, D5, DAN202K, in the Power Supply; D1, 1SS226, in the Antenna protection; D3, MA77, FM RF input section; D4, LED in the Tune visual signal).

    The Clock/Alarm section uses an additional LC5733 Microcomputer IC, one DTC114TK transistor, and two LED for LCD backlight.

     

  • Peso netto
  • 0.233 kg / 0 lb 8.2 oz (0.513 lb)
  • Prezzo nel primo anno
  • 159.00 DM
  • Bibliografia
  • Alles über die Sony Weltempfänger, R. Lichte
  • Autore
  • Modello inviato da Martin Bösch. Utilizzare "Proponi modifica" per inviare ulteriori dati.

 Collezioni | Musei | Letteratura

Collezioni

Il modello FM/SW1-9/MW 11 Band Receiver fa parte delle collezioni dei seguenti membri.

 Forum