Sparton 232 Ch= 5A10-A
Sparks-Withington Co., (Sparton); Jackson, Michigan
- Land
- USA
- Hersteller / Marke
- Sparks-Withington Co., (Sparton); Jackson, Michigan
- Jahr
- 1953
(1953 ? ?)
- Kategorie
- Rundfunkempfänger (Radio - oder Tuner nach WW2)
- Radiomuseum.org ID
- 142545
Klicken Sie auf den Schaltplanausschnitt, um diesen kostenlos als Dokument anzufordern.
- Anzahl Röhren
- 5
- Hauptprinzip
- Superhet allgemein; ZF/IF 456 kHz; 2 NF-Stufe(n)
- Anzahl Kreise
- 6 Kreis(e) AM
- Wellenbereiche
- Mittelwelle, keine anderen.
- Betriebsart / Volt
- (AC/DC 117=110-120 V ?)
- Lautsprecher
- Dynamischer LS, keine Erregerspule (permanentdynamisch) / Ø 5 inch = 12.7 cm
- Material
-
(Plastikgehäuse (nicht Bakelit), Thermoplast ?)
- von Radiomuseum.org
- Modell: Sparton 232 Ch= 5A10-A - Sparks-Withington Co., Sparton
- Form
- Tischgerät-gross, - Querformat (breiter als hoch oder quadratisch).
- Bemerkung
-
(
The Sparks Model Sparton 232 is an AC/DC Operated 5 Tube Superheterodyne Receiver.
?)
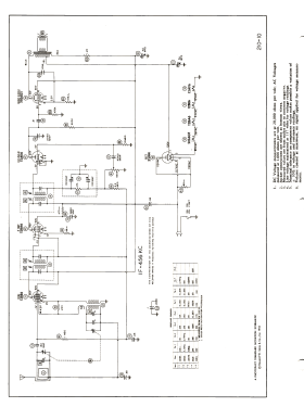
- Literatur/Schema (1)
- Photofact Folder, Howard W. SAMS (Date 7-53, Set 210, Folder 10)
- Autor
- Modellseite von Egon Penker angelegt. Siehe bei "Änderungsvorschlag" für weitere Mitarbeit.
- Weitere Modelle
-
Hier finden Sie 827 Modelle, davon 373 mit Bildern und 773 mit Schaltbildern.
Alle gelisteten Radios usw. von Sparks-Withington Co., (Sparton); Jackson, Michigan