Sparton 5250 Ch= 21S172
Sparks-Withington Co., (Sparton); Jackson, Michigan
- Pays
- Etats-Unis
- Fabricant / Marque
- Sparks-Withington Co., (Sparton); Jackson, Michigan
- Année
- 1952 ?
- Catégorie
- Récepteur de télévision ou moniteur
- Radiomuseum.org ID
- 356725
Cliquez sur la vignette du schéma pour le demander en tant que document gratuit.
- No. de tubes
- 21
- Lampes / Tubes
- 6AG5 6J6 6CB6 6CB6 6CB6 6AL5 6AU6 6AU6 6AU6 6AL5 6AT6 6V6GT 6SN7GT 6V6GT 6AL5 6SN7GT 6BQ6GT 6W4GT 1B3GT 5U4G 17KP4
- Principe général
- Super hétérodyne avec étage HF
- Gammes d'ondes
- Bandes en notes
- Tension / type courant
- Alimentation Courant Alternatif (CA) / 60Hz, 117V=110-120 Volt
- Haut-parleur
- HP dynamique à aimant permanent + bobine mobile / Ø 6 inch = 15.2 cm
- Matière
- Boitier métallique, lampes visibles
- De Radiomuseum.org
- Modèle: Sparton 5250 Ch= 21S172 - Sparks-Withington Co., Sparton
- Forme
- Modèle de table générique
- Remarques
-
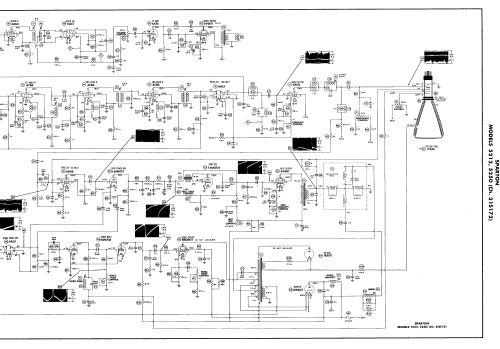
Sparton model 5250 is a 17” b/w TV with US standard VHF tuner channels 2 thru 13. Equipped with chassis 21S172, VHF tuner PD93157 and picture tube 17KP4.
- Schémathèque (1)
- Photofact Folder, Howard W. SAMS (Set 174, folder 12, dated 7-52)
- Auteur
- Modèle crée par Dirk Taekels. Voir les propositions de modification pour les contributeurs supplémentaires.
- D'autres Modèles
-
Vous pourrez trouver sous ce lien 836 modèles d'appareils, 374 avec des images et 782 avec des schémas.
Tous les appareils de Sparks-Withington Co., (Sparton); Jackson, Michigan