Sparton 5342A Ch= 27D213
Sparks-Withington Co., (Sparton); Jackson, Michigan
- Pays
- Etats-Unis
- Fabricant / Marque
- Sparks-Withington Co., (Sparton); Jackson, Michigan
- Année
- 1953 ?
- Catégorie
- Récepteur de télévision ou moniteur
- Radiomuseum.org ID
- 364113
Cliquez sur la vignette du schéma pour le demander en tant que document gratuit.
- No. de tubes
- 27
- Lampes / Tubes
- 6BK7 6J6 6CB6 6BA6 6BA6 6CB6 6AL5 6AH6 6AU6 6AU6 6AU6 6AL5 6AT6 6V6GT 12AU7 6SN7GT 6S4 6AL5 6SN7GT 6BQ6GT 6BQ6GT 6W4GT 6W4GT 1B3GT 5U4G 5U4G 21FP4A
- Principe général
- Super hétérodyne avec étage HF
- Gammes d'ondes
- Bandes en notes
- Tension / type courant
- Alimentation Courant Alternatif (CA) / 60 Hz, 117V = 110 -120 Volt
- Haut-parleur
- HP dynamique à aimant permanent + bobine mobile / Ø 6 inch = 15.2 cm
- Matière
- Boitier en bois
- De Radiomuseum.org
- Modèle: Sparton 5342A Ch= 27D213 - Sparks-Withington Co., Sparton
- Forme
- Console de forme générique
- Remarques
-
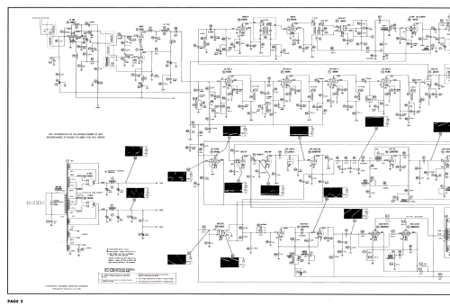
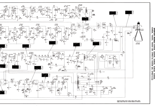
Sparton model 5342A is a 21” b/w TV with US standard VHF tuner channels 2 thru 13. Equipped with chassis 27D213, VHF tuner PD-93158-1 and picture tube 21FP4A.
- Schémathèque (2)
- Photofact Folder, Howard W. SAMS (Set 210, folder 11, dated 7-53)
- Auteur
- Modèle crée par Dirk Taekels. Voir les propositions de modification pour les contributeurs supplémentaires.
- D'autres Modèles
-
Vous pourrez trouver sous ce lien 836 modèles d'appareils, 374 avec des images et 782 avec des schémas.
Tous les appareils de Sparks-Withington Co., (Sparton); Jackson, Michigan