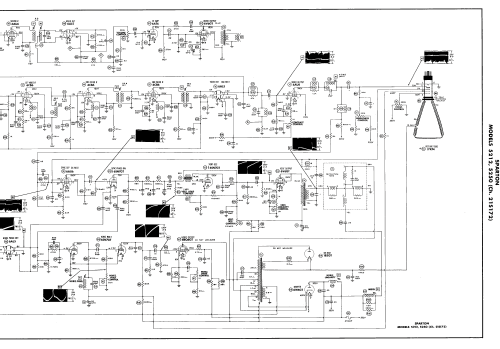
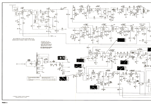
5253 Ch= 21S172
Sparton-Cardon Tubes; Jackson MI
- Produttore / Marca
- Sparton-Cardon Tubes; Jackson MI
- Anno
- 1952 ?
- Categoria
- Televisore (TV) / Monitor
- Radiomuseum.org ID
- 349186
Clicca sulla miniatura dello schema per richiederlo come documento gratuito.
- Numero di tubi
- 21
- Valvole
- 6AG5 6J6 6CB6 6CB6 6CB6 6AL5 6AU6 6AU6 6AU6 6AL5 6AT6 6V6GT 6SN7GT 6V6GT 6AL5 6SN7GT 6BQ6GT 6W4GT 1B3GT 5U4G 17KP4
- Principio generale
- Supereterodina con stadio RF
- Gamme d'onda
- VHF/UHF (ved. i dettagli nelle note)
- Tensioni di funzionamento
- Alimentazione a corrente alternata (CA) / 60Hz, 117V=110-120 Volt
- Altoparlante
- AP magnetodinamico (magnete permanente e bobina mobile) / Ø 6 inch = 15.2 cm
- Materiali
- Mobile di metallo
- Radiomuseum.org
- Modello: 5253 Ch= 21S172 - Sparton-Cardon Tubes; Jackson
- Forma
- Soprammobile con qualsiasi forma (non saputo).
- Annotazioni
-
Sparton model 5253 is a 17” b/w TV with US standard VHF tuner channels 2 thru 13. Equipped with chassis 21S172, VHF tuner PD93157 and picture tube 17KP4.
- Bibliografia
- -- Schematic (“Televisori Commerciali” E. Costa U. Hoepli editor, Italy vol. I, II edition 1962.)
- Letteratura / Schemi (2)
- Photofact Folder, Howard W. SAMS (Set 174, folder 12, dated 7-52)
- Autore
- Modello inviato da Pier Antonio Aluffi. Utilizzare "Proponi modifica" per inviare ulteriori dati.
- Altri modelli
-
In questo link sono elencati 5 modelli, di cui 0 con immagini e 5 con schemi.
Elenco delle radio e altri apparecchi della Sparton-Cardon Tubes; Jackson MI