- País
- Estados Unidos
- Fabricante / Marca
- Spiegel Inc. (Continental); Chicago
- Año
- 1947
- Categoría
- Radio - o Sintonizador pasado WW2
- Radiomuseum.org ID
- 59567
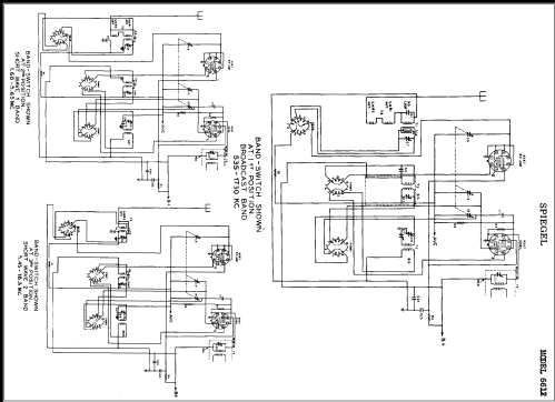
Haga clic en la miniatura esquemática para solicitarlo como documento gratuito.
- Numero de valvulas
- 6
- Principio principal
- Superheterodino con paso previo de RF; ZF/IF 455 kHz; 2 Etapas de AF
- Número de circuitos sintonía
- 7 Circuíto(s) AM
- Gama de ondas
- OM y dos OC
- Especialidades
- Tocadiscos-autom o no-no sabemos
- Tensión de funcionamiento
- Red: Corriente alterna (CA, Inglés = AC) / 105 - 125 Volt
- Altavoz
- Altavoz dinámico (de imán permanente) / Ø 6 inch = 15.2 cm
- Material
- Madera
- de Radiomuseum.org
- Modelo: 6612 - Spiegel Inc. Continental;
- Forma
- Sobremesa de cualquier forma, detalles no conocidos.
- Anotaciones
- This is not the same like the Aircastle 6612 (ID 157647) from same manufacturer.
- Ext. procedencia de los datos
- Ernst Erb
- Procedencia de los datos
- The Radio Collector's Directory and Price Guide 1921 - 1965
- Referencia esquema
- Rider's Perpetual, Volume 18 = 1949 and before
- Documentación / Esquemas (1)
- Photofact Folder, Howard W. SAMS
- Otros modelos
-
Donde encontrará 1282 modelos, 555 con imágenes y 1047 con esquemas.
Ir al listado general de Spiegel Inc. (Continental); Chicago