Analog Multimeter ST-300
Standard Electric Works Co.Ltd. (SEW); Taipei
- Hersteller / Marke
- Standard Electric Works Co.Ltd. (SEW); Taipei
- Jahr
- 1975 ??
- Kategorie
- Service- oder Labor-Ausrüstung
- Radiomuseum.org ID
- 346397
Klicken Sie auf den Schaltplanausschnitt, um diesen kostenlos als Dokument anzufordern.
- Wellenbereiche
- - ohne
- Betriebsart / Volt
- Trockenbatterien / AA: 1 x 1.5 Volt
- Lautsprecher
- - - Kein Ausgang für Schallwiedergabe.
- Material
- Plastikgehäuse (nicht Bakelit), Thermoplast
- von Radiomuseum.org
- Modell: Analog Multimeter ST-300 - Standard Electric Works Co.Ltd
- Form
- Kleines Reisegerät oder «Taschengerät» < 20 cm.
- Bemerkung
-
Standard Electric Works Co.Ltd., (SEW), Analog Multimeter ST-300
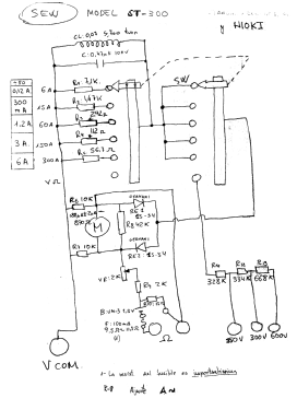
- Literatur/Schema (1)
- -- Schematic
- Autor
- Modellseite von Miguel Bravo-Cos angelegt. Siehe bei "Änderungsvorschlag" für weitere Mitarbeit.
- Weitere Modelle
-
Hier finden Sie 21 Modelle, davon 3 mit Bildern und 2 mit Schaltbildern.
Alle gelisteten Radios usw. von Standard Electric Works Co.Ltd. (SEW); Taipei