- País
- Estados Unidos
- Fabricante / Marca
- Steelman Phono & Radio Co.; Mount Vernon (NY)
- Año
- 1959 ?
- Categoría
- Radio - o Sintonizador pasado WW2
- Radiomuseum.org ID
- 158726
Haga clic en la miniatura esquemática para solicitarlo como documento gratuito.
- Numero de valvulas
- 4
- Principio principal
- Superheterodino en general; ZF/IF 455 kHz; 2 Etapas de AF
- Número de circuitos sintonía
- 4 Circuíto(s) AM
- Gama de ondas
- OM (onda media) solamente
- Tensión de funcionamiento
- Red: Corriente alterna (CA, Inglés = AC) / 110 - 120 Volt
- Altavoz
- Altavoz dinámico (de imán permanente) / Ø 4 inch = 10.2 cm
- de Radiomuseum.org
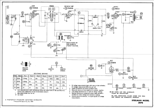
- Modelo: 3RP8 - Steelman Phono & Radio Co.;
- Forma
- Sobremesa de cualquier forma, detalles no conocidos.
- Anotaciones
- The Steelman Model 3RP8 is an AC operated 4 Tube AM Receiver with 4 Speed Manual Record Player.
- Documentación / Esquemas (1)
- Photofact Folder, Howard W. SAMS (Date 2-59, Set 432, Folder 12)
- Autor
- Modelo creado por Egon Penker. Ver en "Modificar Ficha" los participantes posteriores.
- Otros modelos
-
Donde encontrará 125 modelos, 87 con imágenes y 114 con esquemas.
Ir al listado general de Steelman Phono & Radio Co.; Mount Vernon (NY)