- Produttore / Marca
- Stewart Warner Corp.; Chicago (IL)
- Anno
- 1952 ?
- Categoria
- Televisore (TV) / Monitor
- Radiomuseum.org ID
- 350630
-
- Brand: Ferrodyne
Clicca sulla miniatura dello schema per richiederlo come documento gratuito.
- Numero di tubi
- 24
- Valvole
- 6AG5 or 6BC5 or 6CB6 6J6 6AU6 6AU6 6AU6 6AC7 6SN7GT 6AU6 6T8 6AS5 12AU7 6BL7GT 6AL5 6SN7GT 6BQ6GT 6W4GT 1X2A 5U4G 12AT7 6BE6 6BA6 6BA6 6AL5 17BP4A
- Principio generale
- Supereterodina con stadio RF
- Gamme d'onda
- Gamme d'onda nelle note.
- Particolarità
- Cambiadischi
- Tensioni di funzionamento
- Alimentazione a corrente alternata (CA) / 60 Hz, 117V = 110 -120 Volt
- Altoparlante
- AP magnetodinamico ellittico (magnete permanente e bobina mobile).
- Materiali
- Mobile in legno
- Radiomuseum.org
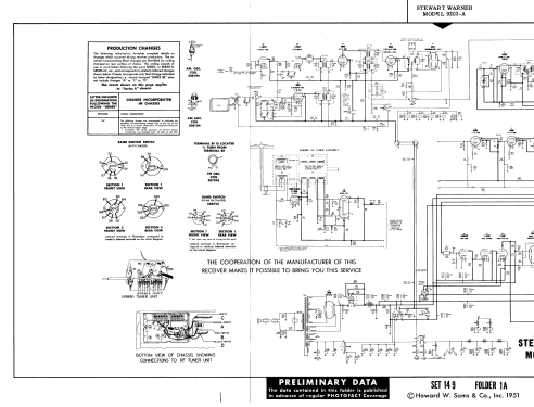
- Modello: 9203-A - Stewart Warner Corp.; Chicago
- Forma
- Console di qualsiasi tipo
- Annotazioni
-
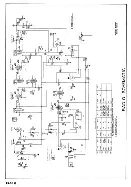
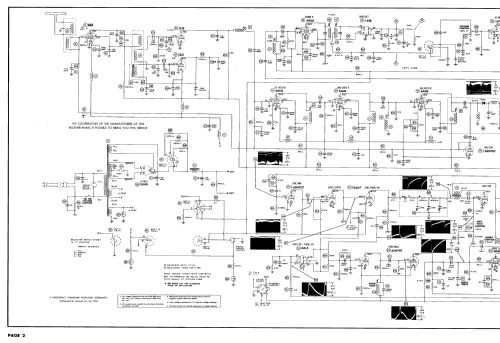
Stewart-Warner model 9203-A is a 17” b/w TV with US standard VHF tuner channels 2 thru 13. Equipped with a TV-FM-AM-phono combination receiver, VHF tuner 508890 and picture tube 17BP4A.
- Letteratura / Schemi (1)
- Photofact Folder, Howard W. SAMS (Set 149, folder 1A, dated 1951)
- Letteratura / Schemi (2)
- Photofact Folder, Howard W. SAMS (Set 166, folder 14, dated 5-52)
- Autore
- Modello inviato da Dirk Taekels. Utilizzare "Proponi modifica" per inviare ulteriori dati.
- Altri modelli
-
In questo link sono elencati 2133 modelli, di cui 403 con immagini e 1991 con schemi.
Elenco delle radio e altri apparecchi della Stewart Warner Corp.; Chicago (IL)