- Country
- United States of America (USA)
- Manufacturer / Brand
- Stromberg-Carlson Co. ; Rochester (NY)
- Year
- 1939
- Category
- Broadcast Receiver - or past WW2 Tuner
- Radiomuseum.org ID
- 62167
-
- Brand: Te-Lek-Tor-Et
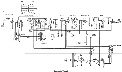
Click on the schematic thumbnail to request the schematic as a free document.
- Number of Tubes
- 7
- Main principle
- Superheterodyne (common); ZF/IF 455 kHz; 2 AF stage(s)
- Tuned circuits
- 6 AM circuit(s)
- Wave bands
- Broadcast and Short Wave (SW).
- Power type and voltage
- Alternating Current supply (AC) / 105-125 Volt
- Loudspeaker
- Electro Magnetic Dynamic LS (moving-coil with field excitation coil)
- from Radiomuseum.org
- Model: 420-HB - Stromberg-Carlson Co. ;
- Notes
- Six station buttons for BC band. For 25 to 60 Hz AC.
- External source of data
- Ernst Erb
- Circuit diagram reference
- Rider's Perpetual, Volume 11 = ca. 1940 and before
- Mentioned in
- Rider's 11-13, 11-14, 11-16, 11-17
- Other Models
-
Here you find 886 models, 497 with images and 762 with schematics for wireless sets etc. In French: TSF for Télégraphie sans fil.
All listed radios etc. from Stromberg-Carlson Co. ; Rochester (NY)