- Country
- United States of America (USA)
- Manufacturer / Brand
- Stromberg-Carlson Co. ; Rochester (NY)
- Year
- 1940/1941
- Category
- Broadcast Receiver - or past WW2 Tuner
- Radiomuseum.org ID
- 170149
-
- Brand: Te-Lek-Tor-Et
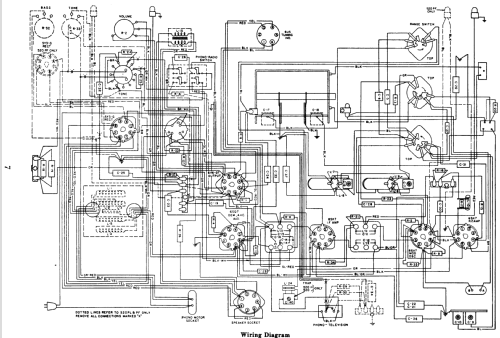
Click on the schematic thumbnail to request the schematic as a free document.
- Number of Tubes
- 7
- Main principle
- Superhet with RF-stage; ZF/IF 455 kHz; 2 AF stage(s)
- Tuned circuits
- 6 AM circuit(s)
- Wave bands
- Broadcast and Short Wave (SW).
- Power type and voltage
- Alternating Current supply (AC) / 105-125 Volt
- Loudspeaker
- Electro Magnetic Dynamic LS (moving-coil with field excitation coil)
- Material
- Wooden case
- from Radiomuseum.org
- Model: 520-H - Stromberg-Carlson Co. ;
- Shape
- Tablemodel with Push Buttons.
- Dimensions (WHD)
- 24.5 x 12.75 x 10 inch / 622 x 324 x 254 mm
- Notes
-
BC (540-1600 kHz) and SW (5.7-18.0 MHz) bands. Tuning eye. For 50 to 60 Hz AC. Authentic Chippendale design.
- Circuit diagram reference
- Rider's Perpetual, Volume 12 = ca. 1941 and before
- Mentioned in
- Rider's 12-10, 12-11, 12-12
- Literature/Schematics (1)
- Machine Age to Jet Age II (page 295.)
- Author
- Model page created by Götz Linss † 27.06.21. See "Data change" for further contributors.
- Other Models
-
Here you find 886 models, 497 with images and 762 with schematics for wireless sets etc. In French: TSF for Télégraphie sans fil.
All listed radios etc. from Stromberg-Carlson Co. ; Rochester (NY)