1210 Series
Stromberg-Carlson Co. ; Rochester (NY)
- Country
- United States of America (USA)
- Manufacturer / Brand
- Stromberg-Carlson Co. ; Rochester (NY)
- Year
- 1948
- Category
- Broadcast Receiver - or past WW2 Tuner
- Radiomuseum.org ID
- 61928
-
- Brand: Te-Lek-Tor-Et
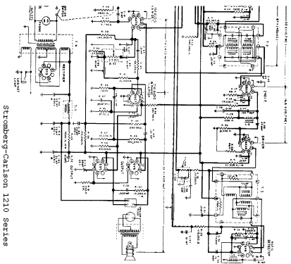
Click on the schematic thumbnail to request the schematic as a free document.
- Number of Tubes
- 11
- Main principle
- Superhet with RF-stage; ZF/IF 455/10700 kHz; 3 AF stage(s)
- Tuned circuits
- 7 AM circuit(s) 9 FM circuit(s)
- Wave bands
- Broadcast (BC) and FM or UHF.
- Details
- Record Player (perh.Changer)
- Power type and voltage
- Alternating Current supply (AC) / 105-125 Volt
- Loudspeaker
- Permanent Magnet Dynamic (PDyn) Loudspeaker (moving coil)
- Power out
- 10 W (unknown quality)
- from Radiomuseum.org
- Model: 1210 Series - Stromberg-Carlson Co. ;
- Shape
- Console with any shape - in general
- Notes
- BC (540-1700 kHz), FM1 (42-50 MHz) and FM2 (88-108 MHz) bands. Push-pull audio amplifier. Several models with/without record player/changer.
- External source of data
- Ernst Erb
- Source of data
- The Radio Collector's Directory and Price Guide 1921 - 1965
- Circuit diagram reference
- Rider's Perpetual, Volume 17 = 1948 and before
- Mentioned in
- Rider's 17-1 to 17-7
- Other Models
-
Here you find 886 models, 497 with images and 762 with schematics for wireless sets etc. In French: TSF for Télégraphie sans fil.
All listed radios etc. from Stromberg-Carlson Co. ; Rochester (NY)