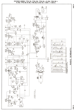
178B Ch= 1-508-1, 1-508-3
Sylvania (Hygrade, GTE, Nilco); Emporium (PA)
- País
- Estados Unidos
- Fabricante / Marca
- Sylvania (Hygrade, GTE, Nilco); Emporium (PA)
- Año
- 1953 ?
- Categoría
- Televisión (TV) o monitor
- Radiomuseum.org ID
- 363978
Haga clic en la miniatura esquemática para solicitarlo como documento gratuito.
- Numero de valvulas
- 36
- Válvulas
- 6J6 6BK7 6J6 6CB6 6CB6 6CB6 6CB6 12BY7 6AU6 12AX7 6AU6 6AU6 6AL5 6AV6 6V6GT 12AU7 6C4 6AH4GT 6AL5 6CB6 12AU7 6BQ6GT 6V3 1B3GT 1B3GT 5U4G 5U4G 6AU6 6BE6 6BA6 6AU6 6AL5 6AT6 6W6GT 7Z4 21EP4A
- Principio principal
- Superheterodino con paso previo de RF
- Gama de ondas
- Bandas de recepción puestas en notas.
- Especialidades
- Tocadiscos con cambiador autom.
- Tensión de funcionamiento
- Red: Corriente alterna (CA, Inglés = AC) / 60 Hz, 117V = 110 -120 Volt
- Altavoz
- Altavoz dinámico (de imán permanente) / Ø 12 inch = 30.5 cm
- Material
- Madera
- de Radiomuseum.org
- Modelo: 178B Ch= 1-508-1, 1-508-3 - Sylvania Hygrade, GTE, Nilco;
- Forma
- Consola en general
- Anotaciones
-
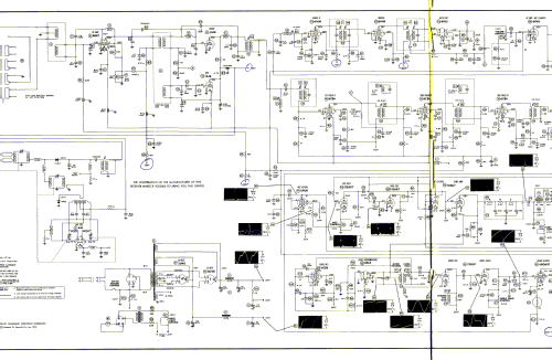
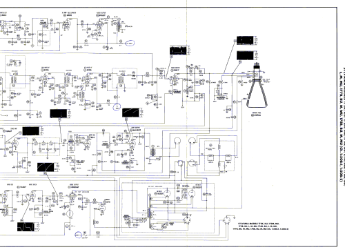
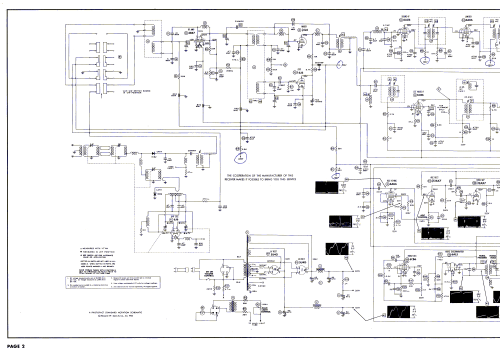
Sylvania model 178B is a 21” b/w TV with US standard VHF tuner channels 2 thru
13, and 14 thru 83 UHF. Equipped with chassis 1-508-1, 1-508-3, TV-FM-AM-phono combination receiver, VHF-tuner 323-0017, UHF-tuner 323-0019 and picture tube 21EP4A.
- Documentación / Esquemas (1)
- Photofact Folder, Howard W. SAMS (Set 192, folder 9, dated 1-53)
- Documentación / Esquemas (2)
- Photofact Folder, Howard W. SAMS (Set 210, folder 1, dated 7-53)
- Autor
- Modelo creado por Dirk Taekels. Ver en "Modificar Ficha" los participantes posteriores.
- Otros modelos
-
Donde encontrará 1144 modelos, 459 con imágenes y 1017 con esquemas.
Ir al listado general de Sylvania (Hygrade, GTE, Nilco); Emporium (PA)