178M Ch= 1-508-1, 1-508-3
Sylvania (Hygrade, GTE, Nilco); Emporium (PA)
- Country
- United States of America (USA)
- Manufacturer / Brand
- Sylvania (Hygrade, GTE, Nilco); Emporium (PA)
- Year
- 1953 ?
- Category
- Television Receiver (TV) or Monitor
- Radiomuseum.org ID
- 363980
Click on the schematic thumbnail to request the schematic as a free document.
- Number of Tubes
- 36
- Valves / Tubes
- 6J6 6BK7 6J6 6CB6 6CB6 6CB6 6CB6 12BY7 6AU6 12AX7 6AU6 6AU6 6AL5 6AV6 6V6GT 12AU7 6C4 6AH4GT 6AL5 6CB6 12AU7 6BQ6GT 6V3 1B3GT 1B3GT 5U4G 5U4G 6AU6 6BE6 6BA6 6AU6 6AL5 6AT6 6W6GT 7Z4 21EP4A
- Main principle
- Superhet with RF-stage
- Wave bands
- Wave Bands given in the notes.
- Details
- Changer (Record changer)
- Power type and voltage
- Alternating Current supply (AC) / 60 Hz, 117V = 110 -120 Volt
- Loudspeaker
- Permanent Magnet Dynamic (PDyn) Loudspeaker (moving coil) / Ø 12 inch = 30.5 cm
- Material
- Wooden case
- from Radiomuseum.org
- Model: 178M Ch= 1-508-1, 1-508-3 - Sylvania Hygrade, GTE, Nilco;
- Shape
- Console with any shape - in general
- Notes
-
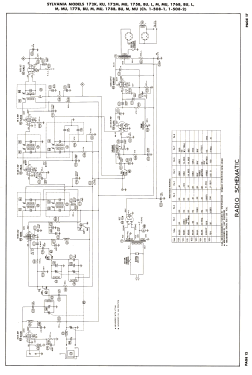
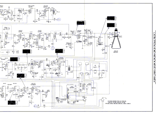
Sylvania model 178M is a 21” b/w TV with US standard VHF tuner channels 2 thru
13, and 14 thru 83 UHF. Equipped with chassis 1-508-1, 1-508-3, TV-FM-AM-phono combination receiver, VHF-tuner 323-0017, UHF-tuner 323-0019 and picture tube 21EP4A.
- Literature/Schematics (1)
- Photofact Folder, Howard W. SAMS (Set 192, folder 9, dated 1-53)
- Literature/Schematics (2)
- Photofact Folder, Howard W. SAMS (Set 210, folder 1, dated 7-53)
- Author
- Model page created by Dirk Taekels. See "Data change" for further contributors.
- Other Models
-
Here you find 1144 models, 459 with images and 1017 with schematics for wireless sets etc. In French: TSF for Télégraphie sans fil.
All listed radios etc. from Sylvania (Hygrade, GTE, Nilco); Emporium (PA)