- Country
- Germany
- Manufacturer / Brand
- Telefunken Deutschland (TFK), (Gesellschaft für drahtlose Telegraphie Telefunken mbH
- Year
- 1963–1965
- Category
- Broadcast Receiver - or past WW2 Tuner
- Radiomuseum.org ID
- 73039
Click on the schematic thumbnail to request the schematic as a free document.
- Number of Transistors
- 3
- Main principle
- TRF without regeneration; 2 AF stage(s)
- Tuned circuits
- 1 AM circuit(s)
- Wave bands
- Broadcast only (MW).
- Power type and voltage
- Dry Batteries / 9 Volt
- Loudspeaker
- Permanent Magnet Dynamic (PDyn) Loudspeaker (moving coil) - elliptical
- Power out
- 0.2 W (unknown quality)
- Material
- Various materials
- from Radiomuseum.org
- Model: Kamerad Bausatz - Telefunken Deutschland TFK,
- Shape
- Tablemodel, low profile (big size).
- Dimensions (WHD)
- 275 x 135 x 110 mm / 10.8 x 5.3 x 4.3 inch
- Notes
-
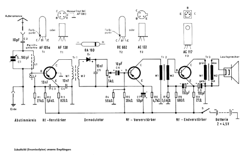
Gehäusefront aus Thermoplast, Gehäuse aus 4 Schichtstoffplatten (z.B. Resopal) mit Nussbaumdekor, mit Holzleisten verstärkt; Rückwand aus Pappe. Ovallautsprecher: 10 x 15 cm, 3 Ohm.
- Net weight (2.2 lb = 1 kg)
- 1.5 kg / 3 lb 4.9 oz (3.304 lb)
- Price in first year of sale
- 90.00 DM
- External source of data
- Hobby 1963 Heft (?), Arlt-Katalog 64/65 (DM 78,-)
- Mentioned in
- Funk-Technik (FT) (19/1963, S. 726 / Beschreibung, Aufbau, Abgleich, Schema)
- Literature/Schematics (1)
- -- Original-techn. papers.
- Literature/Schematics (2)
- Funkschau (Heft 11/1964 S.287-288 Günter Fellbaum: Der Empfänger-Bausatz Kamerad)
- Author
- Model page created by Günther Stabe † 19.8.20. See "Data change" for further contributors.
- Other Models
-
Here you find 3582 models, 3169 with images and 2126 with schematics for wireless sets etc. In French: TSF for Télégraphie sans fil.
All listed radios etc. from Telefunken Deutschland (TFK), (Gesellschaft für drahtlose Telegraphie Telefunken mbH
Collections
The model Kamerad is part of the collections of the following members.