- Country
- Germany
- Manufacturer / Brand
- Telefunken Deutschland (TFK), (Gesellschaft für drahtlose Telegraphie Telefunken mbH
- Year
- 1943–1945
- Category
- Military Receiver
- Radiomuseum.org ID
- 106663
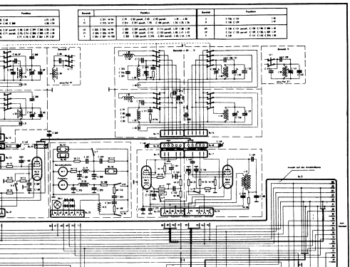
Click on the schematic thumbnail to request the schematic as a free document.
- Number of Tubes
- 12
- Main principle
- Superhet with RF-stage; ZF/IF 1000 kHz; 2 AF stage(s)
- Tuned circuits
- 5 AM circuit(s)
- Wave bands
- Broadcast plus more than 2 Short Wave bands.
- Details
- Remote Control (with wire or wireless)
- Power type and voltage
- Line / Batteries (any type) / 110; 125; 155;190; 210; 230 / 12 Volt
- Loudspeaker
- - For headphones or amp.
- Material
- Metal case
- from Radiomuseum.org
- Model: Köln E52a Ln21000 - Telefunken Deutschland TFK,
- Shape
- Tablemodel, low profile (big size).
- Dimensions (WHD)
- 446 x 241 x 369 mm / 17.6 x 9.5 x 14.5 inch
- Notes
-
Röhren: 10 x 12P2000, 2 x RG12D60.
1,5 bis 25 MHz in 5 Bereichen, A1/A2/A3, regelbares ZF (von 0,2 bis 10 kHz) mit Quarzfilter, Projektionsskala. Motorisierter Rastenstellung (4 Rasten).
- Net weight (2.2 lb = 1 kg)
- 42.8 kg / 94 lb 4.4 oz (94.273 lb)
- Mentioned in
- L.Dv. 702/1 Heft 167. Luftnachrichtentruppe Geraet. Der Empfaenger E 52a. August 1943
- Literature/Schematics (1)
- -- Original-techn. papers.
- Literature/Schematics (2)
- Museums Bote, Österr. (Heft 126/2004, S.13 ff, Gerätebeschreibung u. Varianten)
- Author
- Model page created by Valery Gromov. See "Data change" for further contributors.
- Other Models
-
Here you find 3581 models, 3168 with images and 2126 with schematics for wireless sets etc. In French: TSF for Télégraphie sans fil.
All listed radios etc. from Telefunken Deutschland (TFK), (Gesellschaft für drahtlose Telegraphie Telefunken mbH
Museums
The model Köln can be seen in the following museums.