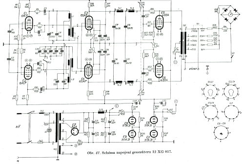
Generator 12XG017
Tesla; Praha, Bratislava etc.
- Land
- Tschechoslowakei
- Hersteller / Marke
- Tesla; Praha, Bratislava etc.
- Jahr
- 1950 ??
- Kategorie
- Service- oder Labor-Ausrüstung
- Radiomuseum.org ID
- 136212
-
- Marke: Supraphon
Klicken Sie auf den Schaltplanausschnitt, um diesen kostenlos als Dokument anzufordern.
- Anzahl Röhren
- 7
- Hauptprinzip
- NF-Verstärkung
- Wellenbereiche
- Wellen in den Bemerkungen.
- Betriebsart / Volt
- Wechselstromspeisung / 120; 220 Volt
- Lautsprecher
- - Für Kopfhörer oder NF-Verstärker
- Belastbarkeit / Leistung
- 3 W (Qualität unbekannt)
- Material
- Metallausführung
- von Radiomuseum.org
- Modell: Generator 12XG017 - Tesla; Praha, Bratislava etc.
- Form
- Tischmodell, Zusatz nicht bekannt - allgemein.
- Abmessungen (BHT)
- 495 x 278 x 365 mm / 19.5 x 10.9 x 14.4 inch
- Bemerkung
- Low frequency generator in 3 subbands: 1,5-100 Hz, 100-200 Hz, 200-300 Hz.
- Nettogewicht
- 30 kg / 66 lb 1.3 oz (66.079 lb)
- Datenherkunft
- -- Original-techn. papers.
- Autor
- Modellseite von Gabriel Toth angelegt. Siehe bei "Änderungsvorschlag" für weitere Mitarbeit.
- Weitere Modelle
-
Hier finden Sie 1877 Modelle, davon 1203 mit Bildern und 689 mit Schaltbildern.
Alle gelisteten Radios usw. von Tesla; Praha, Bratislava etc.