Amplificador Estereofónico PA-3504
Thomson Española S.A.; Thomson General Eléctrica; Cedosa; Electa; Setelsa; Madrid
- Country
- Spain
- Manufacturer / Brand
- Thomson Española S.A.; Thomson General Eléctrica; Cedosa; Electa; Setelsa; Madrid
- Year
- 1984 ??
- Category
- Audio Amplifier or -mixer
- Radiomuseum.org ID
- 317414
Click on the schematic thumbnail to request the schematic as a free document.
- Number of Transistors
- 11
- Main principle
- Audio-Amplification
- Wave bands
- - without
- Details
- Hi-Fi equipment
- Power type and voltage
- Alternating Current supply (AC) / 220 Volt
- Loudspeaker
- - For headphones or amp.
- Power out
- 76 W (undistorted)
- from Radiomuseum.org
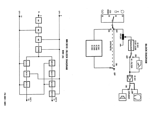
- Model: Amplificador Estereofónico PA-3504 - Thomson Española S.A.; Thomson
- Shape
- Book-shelf unit.
- Dimensions (WHD)
- 440 x 93 x 235 mm / 17.3 x 3.7 x 9.3 inch
- Notes
-
Thomson Española S.A. Preamplificador Amplificador Estereofónico PA-3504
Semiconductores listados una vez por tipo
- Net weight (2.2 lb = 1 kg)
- 4.5 kg / 9 lb 14.6 oz (9.912 lb)
- Literature/Schematics (1)
- -- Original-techn. papers.
- Author
- Model page created by Miguel Bravo-Cos. See "Data change" for further contributors.
- Other Models
-
Here you find 183 models, 87 with images and 108 with schematics for wireless sets etc. In French: TSF for Télégraphie sans fil.
All listed radios etc. from Thomson Española S.A.; Thomson General Eléctrica; Cedosa; Electa; Setelsa; Madrid