- Country
- United States of America (USA)
- Manufacturer / Brand
- Trad Television Corp.; Asbury Park, NJ
- Year
- 1953 ?
- Category
- Television Receiver (TV) or Monitor
- Radiomuseum.org ID
- 313716
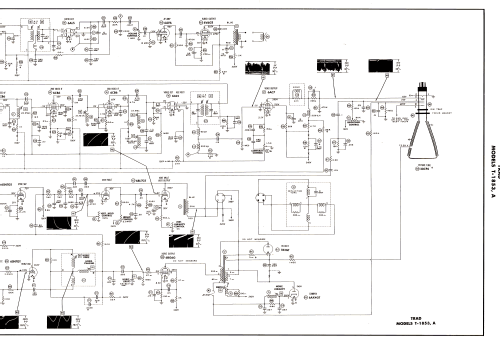
Click on the schematic thumbnail to request the schematic as a free document.
- Number of Tubes
- 19
- Valves / Tubes
- 6BC5 or 6AG5 or 6CB6 6J6 6CB6 6CB6 6CB6 or 6AG5 6AL5 6AC7 6AU6 6AL5 6AV6 6V6GT 6SN7GT 6BL7GT 6SN7GT 6BG6G 6AX4GT 1B3GT 5U4G 20CP4
- Main principle
- Superhet with RF-stage
- Wave bands
- VHF incl. FM and/or UHF (see notes for details)
- Power type and voltage
- Alternating Current supply (AC) / 60 Hz, 117V = 110 -120 Volt
- Loudspeaker
- Permanent Magnet Dynamic (PDyn) Loudspeaker (moving coil) / Ø 8 inch = 20.3 cm
- Material
- Wooden case
- from Radiomuseum.org
- Model: T-1853 - Trad Television Corp.; Asbury
- Shape
- Console with any shape - in general
- Notes
-
Trad model T-1853 is a 20” b/w TV with US standard VHF tuner channels 2 thru 13. Equipped with a VHF tuner and picture tube 20CP4.
- Mentioned in
- - - Manufacturers Literature
- Literature/Schematics (1)
- Photofact Folder, Howard W. SAMS (Set 200, folder 10, dated 4-53)
- Literature/Schematics (2)
- -- Schematic (Televisori Commerciali Italy E. Costa U. Hoepli editor 1962)
- Author
- Model page created by Jon Kummer. See "Data change" for further contributors.
- Other Models
-
Here you find 15 models, 12 with images and 9 with schematics for wireless sets etc. In French: TSF for Télégraphie sans fil.
All listed radios etc. from Trad Television Corp.; Asbury Park, NJ