- País
- Japon
- Fabricante / Marca
- Kenwood, Trio-Kenwood Inc.; Komagane
- Año
- 1995
- Categoría
- Radioaficionados TRX; conjunto transmisor-receptor o transceptor.
- Radiomuseum.org ID
- 93895
-
- alternative name: Trio Corp.
- Brand: Jennen
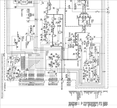
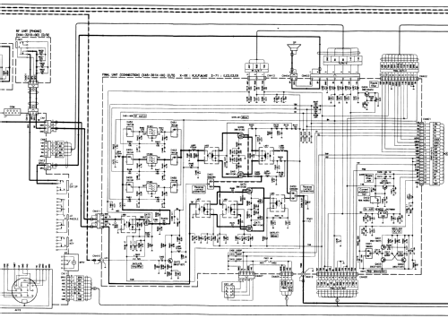
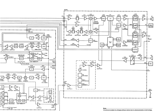
Haga clic en la miniatura esquemática para solicitarlo como documento gratuito.
- Numero de transistores
- Hay semiconductores.
- Semiconductores
- Principio principal
- Superheterodino doble o triple conversión
- Gama de ondas
- Bandas de recepción puestas en notas.
- Tensión de funcionamiento
- Alimentado desde otro equipo o aparato principal. / DC 13.8 Volt
- Altavoz
- Altavoz dinámico (de imán permanente)
- Potencia de salida
- 1.5 W (unknown quality)
- Material
- Metálico
- de Radiomuseum.org
- Modelo: TS-870S - Kenwood, Trio-Kenwood Inc.;
- Forma
- Unidad para estanteria.
- Ancho, altura, profundidad
- 339 x 135 x 375 mm / 13.3 x 5.3 x 14.8 inch
- Anotaciones
- Kenwood HF-Transceiver TS-870S.
Frequency range: TX 160-10 m incl. WARC, RX 0.1-30 MHz; Quadruple conversion superhetereodyne for SSB, CW, RTTY, AM; Triple conversion for FM; 100 memories; built-in programable Iambic keyer; built-in ATU; CAT; Pout: 20···100 W (AM 20···25 W).
- Peso neto
- 11.5 kg / 25 lb 5.3 oz (25.33 lb)
- Precio durante el primer año
- 5,499.00 DM
- Mencionado en
- Funkamateur 12/1995
- Autor
- Modelo creado por Iven Müller. Ver en "Modificar Ficha" los participantes posteriores.
- Otros modelos
-
Donde encontrará 905 modelos, 840 con imágenes y 252 con esquemas.
Ir al listado general de Kenwood, Trio-Kenwood Inc.; Komagane